Foram encontradas 1.331 questões.
Os semicondutores são uma classe especial de elementos cuja condutividade está entre a de um bom condutor e a de um isolante.
Em relação a esses tipos de materiais, assinale a alternativa correta.
Provas
Questão presente nas seguintes provas
Capacitores são dispositivos de dois terminais extremamente utilizados em circuitos elétricos.
Em relação a esses dispositivos, assinale a alternativa correta.
Provas
Questão presente nas seguintes provas
O conceito de manutenção pode ser definido como o conjunto de cuidados técnicos indispensáveis ao funcionamento regular e permanente de máquinas, equipamentos, ferramentas e instalações.
Em relação aos tipos de manutenção, assinale a alternativa incorreta.
Provas
Questão presente nas seguintes provas
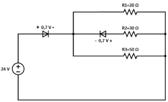
Considere o circuito a seguir.

Os valores, em módulo, das correntes que circulam por R1 e R3 são, respectivamente,
Provas
Questão presente nas seguintes provas
Observe o circuito a seguir.

Considerando esse circuito, assinale a alternativa que indica o valor da resistência equivalente em relação aos terminais A e B.
Provas
Questão presente nas seguintes provas
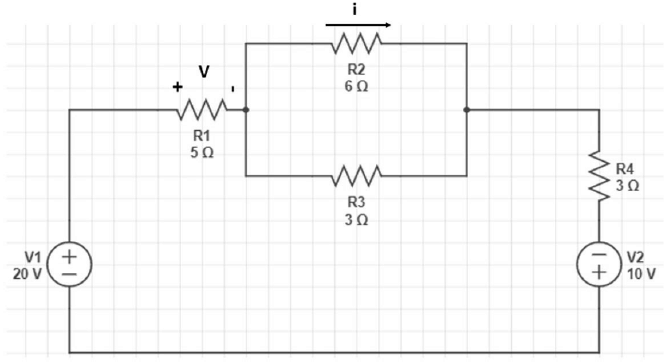
O circuito representado na figura a seguir é composto por duas fontes de tensão (V1 e V2) e quatro resistências (R1, R2, R3 e R4).

Assinale a alternativa que apresenta correta e respectivamente o módulo da tensão V no resistor !$ R_1 !$ em volts e da corrente i no resistor !$ R_2 !$ em amperes.
Provas
Questão presente nas seguintes provas
819869
Ano: 2019
Disciplina: Engenharia Cartográfica
Banca: FUNDEP
Orgão: Pref. Uberlândia-MG
Disciplina: Engenharia Cartográfica
Banca: FUNDEP
Orgão: Pref. Uberlândia-MG
Provas:
Na medição de um ângulo horizontal integrante de um caminhamento poligonal, a visada de RÉ (no vértice anterior) foi feita com um instrumento topográfico, apresentando azimute verdadeiro de 80 graus e 20 minutos, enquanto a visada de VANTE (no vértice seguinte) apresentou azimute verdadeiro de 180 graus e 10 minutos. Nessas condições, o ângulo medido pelo instrumento topográfico, no vértice considerado, apresenta o valor, em graus (°) e minutos (’), de
Provas
Questão presente nas seguintes provas
819868
Ano: 2019
Disciplina: Engenharia Cartográfica
Banca: FUNDEP
Orgão: Pref. Uberlândia-MG
Disciplina: Engenharia Cartográfica
Banca: FUNDEP
Orgão: Pref. Uberlândia-MG
Provas:
Tratando-se de aplicações topográficas e medições de agrimensura que envolvem métodos e instrumentos usados em levantamentos e coleta de dados, é correto afirmar:
Provas
Questão presente nas seguintes provas
819867
Ano: 2019
Disciplina: Engenharia Cartográfica
Banca: FUNDEP
Orgão: Pref. Uberlândia-MG
Disciplina: Engenharia Cartográfica
Banca: FUNDEP
Orgão: Pref. Uberlândia-MG
Provas:
A posição de um ponto situado no estado de Minas Gerais, no sistema de coordenadas da projeção UTM, datum WGS84, foi indicada em um receptor de sinais de satélites do sistema GPS/GNSS pelos dados: 22 K 788000, 7907000.
Nesses dados de posição, de acordo com as características e padrões do sistema UTM,
Provas
Questão presente nas seguintes provas
O concreto, como qualquer outro produto que desempenha função de responsabilidade, precisa ser submetido a controle de qualidade.
Para atender às condições de concretagem, um dos testes mais comuns que podem ser realizados na obra pela fiscalização, para medir a trabalhabilidade por meio de um cone, é denominado
Provas
Questão presente nas seguintes provas
Cadernos
Caderno Container