Foram encontradas 1.100 questões.
Com o intuito de utilizar o circuito equivalente do transformador da figura a seguir, necessita-se dos valores dos diferentes parâmetros. Essas especificações são geralmente fornecidas pelos fabricantes dos transformadores de potência. Tais dados podem também ser obtidos utilizando os ensaios de circuito aberto e curto-circuito.
Figura - Circuito equivalente do transformador incluindo as impedâncias de dispersão e as perdas no núcleo Fonte: MOHAN, Ned. 2016.

Considerando os conceitos sobre ensaios de transformadores, assinale a assertiva correta.
Provas
Uma instalação industrial é composta das seguintes cargas:
• 3 motores trifásicos de 60 cv/220 V com fator de potência 0,70;
• 8 motores trifásicos de 7,5 cv/220 V com fator de potência 0,56;
• 10 motores trifásicos de 3 cv/220 V com fator de potência 0,70;
• 50 lâmpadas fluorescentes de 20 W/220 V, com reator a baixo fator de potência, ou seja, 0,55 em atraso, com perda de 1 W.
A tabela a seguir apresenta as potências ativa e reativa para cada conjunto de carga.

Com base nas informações, qual é o fator de potência na demanda máxima prevista?
Provas
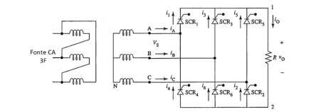
O circuito da figura (a), conhecido como retificador trifásico controlado de onda completa em ponte (retificador de seis-pulsos), é o conversor CA/CC de alta potência mais utilizado em eletrônica de potência.

Figura (a) - Circuito retificador controlado de seis-pulsos Fonte: Ashfaq Ahmed 2000
A figura (b) apresenta a forma de onda de tensão na carga (vo) para ângulo de atraso α = 0º.

Figura (b) – Forma de onda de tensão para um circuito em ponte para α = 0º Fonte: Ashfaq Ahmed 2000
Tendo por base as figuras (a) e (b) e a correta operação do circuito, marque a afirmativa correta.
Provas
Sobre o levantamento planialtimétrico apresentado, analise as afirmativas.

I - O ângulo interno 1-2-3 é 80º 00’.
II - O rumo do alinhamento 2-3 é 30º SE.
III - A área situa-se em uma depressão.
Está correto o que se afirma em
Provas

Assinale a alternativa que apresenta valores aproximados das solicitações nas barras f-c, g-c, g-f e g-h em quilonewtons. O sinal positivo indica força de tração e o negativo, compressão.
Adote: sen(30º ) = 0,5 e cos(30º ) = 0,87.
Provas
Considere a viga simplesmente apoiada com seção transversal constante e feita de material perfeitamente elástico com rigidez à flexão E I, submetida à carga momento M.

Assinale a alternativa que apresenta a flecha máxima e a posição xmax onde ela ocorre, medida da extremidade esquerda.
Provas
Considere o modelo de projeto das armaduras de uma sapata rígida com planta retangular, sendo a dimensão “A” o lado que contém o plano de flexão. A sapata está sujeita à carga excêntrica apresentada na figura seguinte.

A força de tração no tirante mais solicitado, que passa pelo nó onde atua R1, é dada por:
Provas

Assinale a sequência correta.
Provas
INSTRUÇÃO: Analise a figura abaixo para responder à questão.


Provas
INSTRUÇÃO: Analise a figura abaixo para responder à questão.


Regras de desconto de aberturas: - Se a abertura for menor ou igual a 2,0 m², não descontar; - Se a abertura for maior que 2,0 m², descontar o excedente a 2,0 m².
Provas
Caderno Container