Foram encontradas 120 questões.
Disciplina: Engenharia Eletrônica
Banca: CESPE / CEBRASPE
Orgão: Pref. Vitória-ES
Considerando que um transformador de potência monofásico tenha sido submetido aos tradicionais ensaios de curto-circuito e de circuito-aberto para determinação dos parâmetros do seu circuito elétrico equivalente, julgue os itens que se seguem.
A perda no material ferromagnético do transformador é medida no ensaio de circuito-aberto, para, juntamente com dados de corrente e de tensão do ensaio, permitir o cálculo da impedância magnetizante do transformador.
Provas
Disciplina: Engenharia Elétrica
Banca: CESPE / CEBRASPE
Orgão: Pref. Vitória-ES
Considerando que um transformador de potência monofásico tenha sido submetido aos tradicionais ensaios de curto-circuito e de circuito-aberto para determinação dos parâmetros do seu circuito elétrico equivalente, julgue os itens que se seguem.
Por meio do ensaio de curto-circuito, são determinados os parâmetros que representam a perda ativa nos enrolamentos do transformador e as reatâncias de dispersão.
Provas
Disciplina: Engenharia Eletrônica
Banca: CESPE / CEBRASPE
Orgão: Pref. Vitória-ES
Considerando que um transformador de potência monofásico tenha sido submetido aos tradicionais ensaios de curto-circuito e de circuito-aberto para determinação dos parâmetros do seu circuito elétrico equivalente, julgue os itens que se seguem.
Provas
Disciplina: Engenharia Eletrônica
Banca: CESPE / CEBRASPE
Orgão: Pref. Vitória-ES

Em uma das fases do barramento, a intensidade da tensão de fase será igual a 300 V.
Provas
Disciplina: Engenharia Eletrônica
Banca: CESPE / CEBRASPE
Orgão: Pref. Vitória-ES

A tensão em componentes de fase, na fase a do barramento, será igual a 200 V.
Provas
Disciplina: Engenharia Elétrica
Banca: CESPE / CEBRASPE
Orgão: Pref. Vitória-ES
Considere que uma carga trifásica equilibrada seja suprida por um gerador ideal que apresente tensão trifásica equilibrada e simétrica cuja tensão de linha seja igual a 220 V. A partir dessas informações e considerando, ainda, que, para o seu funcionamento, a carga demande 10 A de corrente de linha e funcione com fator de potência indutivo igual a 0,8, julgue os itens a seguir.
Se um motor síncrono trifásico absorvendo 1 kVA com fator de potência igual a 0,8 indutivo for conectado em paralelo com a carga, o fator de potência da instalação composta da carga e do motor será igual a 0,92, indutivo.
Provas
Disciplina: Engenharia Eletrônica
Banca: CESPE / CEBRASPE
Orgão: Pref. Vitória-ES
Considere que uma carga trifásica equilibrada seja suprida por um gerador ideal que apresente tensão trifásica equilibrada e simétrica cuja tensão de linha seja igual a 220 V. A partir dessas informações e considerando, ainda, que, para o seu funcionamento, a carga demande 10 A de corrente de linha e funcione com fator de potência indutivo igual a 0,8, julgue os itens a seguir.
Se um banco de capacitor trifásico que gere 1 kVar de potência reativa for conectado em paralelo à carga, o fator de potência da instalação composta de carga mais banco de capacitor irá aumentar.
Provas
Disciplina: Engenharia Eletrônica
Banca: CESPE / CEBRASPE
Orgão: Pref. Vitória-ES
Considere que uma carga trifásica equilibrada seja suprida por um gerador ideal que apresente tensão trifásica equilibrada e simétrica cuja tensão de linha seja igual a 220 V. A partir dessas informações e considerando, ainda, que, para o seu funcionamento, a carga demande 10 A de corrente de linha e funcione com fator de potência indutivo igual a 0,8, julgue os itens a seguir.
Caso a carga esteja ligada em triângulo, cada uma de suas correntes de fase terá intensidade inferior a 10 A.
Provas
Disciplina: Engenharia Eletrônica
Banca: CESPE / CEBRASPE
Orgão: Pref. Vitória-ES
Considere que uma carga trifásica equilibrada seja suprida por um gerador ideal que apresente tensão trifásica equilibrada e simétrica cuja tensão de linha seja igual a 220 V. A partir dessas informações e considerando, ainda, que, para o seu funcionamento, a carga demande 10 A de corrente de linha e funcione com fator de potência indutivo igual a 0,8, julgue os itens a seguir.
A potência ativa absorvida pela carga é igual a 4.800 W.
Provas
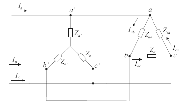
Disciplina: Engenharia Elétrica
Banca: CESPE / CEBRASPE
Orgão: Pref. Vitória-ES
A figura a seguir representa um circuito trifásico que ilustra a conexão de duas cargas em paralelo ligadas a uma rede elétrica cuja alimentação é equilibrada e simétrica e que apresenta tensão de linha igual a 380 
Considerando a figura acima e as informações relativas ao circuito elétrico nela descrito, julgue os itens seguintes, considerando, ainda,![]()
A potência aparente suprida às duas cargas será sempre igual
em que I é a intensidade de uma das correntes de linha, seja IA, ou IB, ou IC.
Provas
Caderno Container