Foram encontradas 40 questões.
Disciplina: Segurança e Saúde no Trabalho (SST)
Banca: VUNESP
Orgão: PRUDENCO
No Brasil, as normas regulamentadoras (NRs) que estabelecem condições para a Segurança do Trabalho estão subdivididas conforme a área de abrangência. Neste caso, as normas regulamentadoras que se referem a Segurança em Instalações e Serviços em Eletricidade e Trabalhos em Altura são, respectivamente:
Provas
Disciplina: Segurança e Saúde no Trabalho (SST)
Banca: VUNESP
Orgão: PRUDENCO
Durante os trabalhos do eletricista onde ocorre exposição prolongada ao sol, nos casos em que o uniforme indicado não realiza a cobertura completa das partes do corpo do trabalhador, o EPI indicado para a proteção contra danos resultantes da exposição à irradiação solar é:
Provas
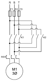
O diagrama mostrado na figura a seguir representa um:

Provas
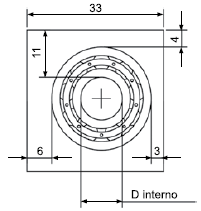
Considere o desenho a seguir, representando um rolamento de esferas instalado em um suporte de aço carbono.
As cotas estão em milímetros.

O diâmetro interno do rolamento (D interno) é de
Provas
Considere o desenho de um quadro de distribuição mostrado na figura a seguir.

Na figura, o barramento de proteção, o alimentador principal e o disjuntor geral estão representados, respectivamente, pelos itens:
Provas
A proteção dos transformadores presentes em uma rede de distribuição aérea de média tensão contra curtos-circuitos é realizada por:
Provas
Assinale a alternativa que apresenta o valor da corrente I que percorre o alimentador de uma instalação elétrica de baixa tensão mostrado na figura a seguir.

Provas
Durante uma tempestade, verificou-se que a ocorrência de uma descarga atmosférica produziu uma sobretensão na rede primária do sistema de distribuição, resultando na ruptura de um elo fusível de um determinado alimentador de um transformador.
Nesta situação, sabendo-se que o transformador possui ligação !$ \Delta !$/Y entre primário e secundário, as unidades consumidoras conectadas ao secundário desse transformador observarão:
Provas
Um autotransformador monofásico apresenta as seguintes características construtivas:
| Autotransformador Monofásico | |
| Tensão de Entrada: | 127 V |
| Tensão de Saída: | 220 V |
| Potência aparente: | 3 000 VA |
Se a tensão de entrada aplicada a esse autotransformador for de 110 V, a tensão de saída será igual a:
Provas
Um motor de indução trifásico tem em seus dados de placa as seguintes indicações:
Tensão: 220 / 380V
Corrente: 28 / 16A
Fator de Serviço (FS) = 1,15
Se esse motor está ligado em Y e é acionado por uma chave de partida direta, o ajuste do relé de sobrecarga será:
Provas
Caderno Container