Foram encontradas 48 questões.
Provas
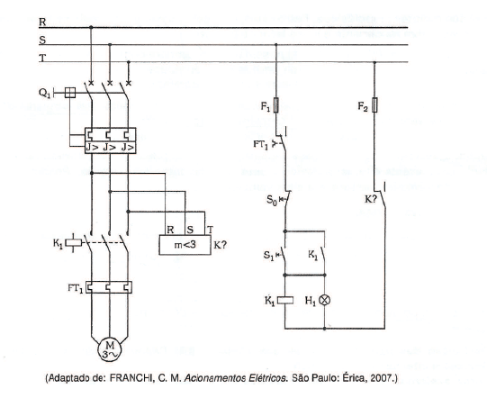
O diagrama elétrico a seguir apresenta as principais funções para um tipo de aplicação de proteção em motores elétricos.

Assinale a alternativa que indica, corretamente, o tipo de proteção (K?) que esse diagrama apresenta.
Provas
Uma chave de partida estrela triangulo é normalmente utilizada nas partidas de motores. Sua finalidade de uso é reduzir os elevados valores de corrente de partida nesses motores, reduzindo-se a tensão nas bobinas do motor durante a partida.
Sobre o comportamento das grandezas elétricas envolvidas nesse processo de partida dos motores, assinale a alternativa correta.
Provas
Sobre defeitos em contatores elétricos e suas causas mais comuns, relacione a coluna da esquerda com a da direita.

Assinale a alternativa que contém a associação correta.
Provas
Os motores de indução monofásicos são amplamente utilizados em acionamentos e estão divididos em várias categoriais, de acordo com sua características construtiva e seu princípio de operação. Sobre esses motores, considere as afirmativas a seguir.
I) O motor de polos sombreados (shaded pole) ou de campo distorcido é o mais simples, econômico e confiável dos motores monofásicos. Entre estes, o de polos salientes é o mais comum. Apresenta baixo torque de partida, baixo rendimento e baixo fator de potência.
II) O moto de fase dividida (split phase) possui um enrolamento principal e um auxiliar (para a partida), ambos deslocados de 90º. Possui torque de partida igual ou pouco superior ao nominal e sua corrente de rotor bloqueado varia entre cinco e sete vezes a corrente nominal.
III) O motor de capacitor permanente (permanente split capacitor) possui um enrolamento auxiliar e um capacitor do tipo eletrostático que ficam permanentemente ligados. É um motor pequeno, de baixa ou quase nenhuma manutenção e seu torque de partida é inferior ao motor de fase dividida.
IV) O motor é universal é um motor com enrolamento CC e CA, podendo ser utilizados tanto em corrente contínua quanto em corrente alternativa devido a seus enrolamentos em paralelo. Possui baixo torque de partida, mas desenvolve elevado torque altas velocidades.
Assinale a alternativa correta.
Provas
Sobre os graus de proteção (IP) e suas classificações, relacione a coluna da esquerda com a da direita.

Assinale a alternativa que contém a associação correta.
Provas
Analise a figura a seguir, que representa um esquema de aterramento.

Sobre esse esquema, assinale a alternativa correta.
Provas
Sobre os princípios fundamentais e as características gerais das instalações elétricas de baixa tensão, considere as afirmativas a seguir.
I) Os componentes da instalação elétrica devem ser confinados para segurança, tanto quanto da instalação inicial quanto da substituição posteriores de partes, e devem ter acessibilidade controlada para fins de operação, verificação e manutenção
II) A instalação elétrica deve ser concebida e construída de maneira a excluir qualquer risco de incêndio de materiais inflamáveis, devido a temperaturas elevadas ou arcos elétricos.
III) As pessoas, os animais e os bens devem ser protegidos contra as consequências prejudiciais de ocorrências que possam resultar em sobretensões, como faltas entre partes vivas de circuitos sob diferentes tensões, fenômenos atmosféricos e manobras.
IV) Sempre que forem previstas situações de perigo em que se faça necessário desenergizar um circuito, devem ser providos dispositivos de desligamento de emergência, facilmente identificáveis e rapidamente manobráveis.
Assinale a alternativa correta.
Provas
Provas
Provas
Caderno Container