Foram encontradas 40 questões.
Em localidade atendida com rede trifásica a quatro condutores de 220/127 volts, uma ramificação monofásica, tirada de duas fases diretamente para certa carga, iria contrariar a prescrição da NBR-5410, que exige um dos condutores na carga, aterrado. O atendimento adequado à citada prescrição poderia ser conseguido com o uso de:
Provas
A filosofia de proteção contra contatos indiretos está calcada na limitação do tempo de exposição ao choque elétrico, de modo a manter a integridade física da pessoa que está utilizando a instalação elétrica. A NBR 5410, que regula os procedimentos em instalações elétricas de baixa tensão, prescreve que essa proteção pode ser alcançada por meio de disjuntor:
Provas
Áreas classificadas são aquelas que estão sujeitas à presença de mistura explosiva. De acordo com a norma adotada (americana ou brasileira), são definidos procedimentos, visando obter um projeto elétrico seguro. Considere as seguintes afirmativas:
I - as áreas que possuem uma alta probabilidade de presença de mistura explosiva, segundo a norma americana, é classificada de “Divisão 1”;
II - em locais classificados como “Zona 2”, com alta probabilidade de centelhamento, segundo a norma brasileira, requerem, entre todas as ações, as mais rigorosas por ocasião do projeto elétrico;
III - os equipamentos que, em condições normais de operação, não produzem centelhamento podem ser aplicados em áreas de “Divisão 2”, desde que respeitem a regra dos 80% da temperatura de superfície.
Está(ão) correta(s), apenas, a(s) afirmativa(s):
Provas
Considerado o aterramento de condutores e equipamentos, praticado na área da Engenharia Elétrica, é correto afirmar que:
Provas

A figura acima ilustra um circuito digital do tipo combinacional, tendo como entradas as variáveis lógicas A, B e C e, como saída, a variável G. A expressão simplificada de G é:
Provas

A figura acima ilustra o Mapa de Karnaugh do sinal digital Y em função dos sinais binários A, B e C. O painel disponível contém terminais com os sinais A, B, C, terra (tensão correspondente ao nível lógico 0) e +5 V (tensão correspondente ao nível lógico 1). O técnico possui apenas integrados contendo portas “ou exclusivo” (EXOR) com duas entradas. O número mínimo de portas desse tipo, necessárias para gerar o sinal Y, é:
Provas

Um técnico projetou um sistema de controle para acionamento de motores, conforme o esquema simplificado acima. Sabe-se que a chave S2 possui um retardo de Δt segundos para mudar de estado. É correto afirmar que:
Provas

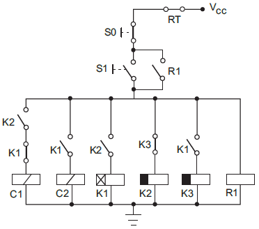
A figura acima apresenta a parte de controle do circuito de acionamento de duas máquinas trifásicas, energizadas por intermédio dos contatores C1 e C2. As chaves S0 e S1 são do tipo sem retenção. A ação de acionar uma chave significa apertá-la e em seguida deixá-la retornar a sua posição inicial. O relé K1 é do tipo com retardo na ligação, programado para Ta minutos, enquanto os relés K2 e K3 são do tipo com retardo no desligamento, respectivamente programados para Tb e Tc minutos. Com o sistema em condições normais de funcionamento, considere que o operador acionou a chave S0 e, após 2 minutos, a chave S1. Nessa situação, sem que haja novas interferências do operador, analise as afirmativas a seguir.
I - As duas máquinas poderão, simultaneamente, ser energizadas eletricamente por algum intervalo de tempo.
II - A máquina comandada pelo contator C1 funcionará intermitentemente por Ta minutos, quando, então, será desligada por Tb + Tc minutos.
III - A máquina comandada por C2 entrará em funcionamento imediatamente após o desligamento da máquina comandada por C1.
IV - O funcionamento das máquinas será cíclico, isto é, alternarão o funcionamento sempre mantendo um intervalo de Tb + Tc minutos de parada entre a energização de uma delas.
São verdadeiras, apenas, as afirmativas:
Provas

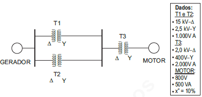
O diagrama unifilar simplificado acima apresenta um sistema composto de um gerador alimentando um motor por meio de três transformadores (T1, T2, e T3). A tensão e a potência de bases no setor em que se encontra o gerador são, respectivamente, iguais a 12 kV e 1.000 VA. Nessas condições, a reatância subtransitória (x”) do motor, em p.u., é:
Provas
A distribuição urbana elétrica em baixa tensão em cidades de grande porte é realizada de dois modos, conforme a zona atendida. O primeiro sistema é o aéreo, com todos os componentes sustentados por postes em todo o trajeto. O segundo é o reticulado (malha), com seus componentes em câmaras e eletrodutos subterrâneos. Com relação aos sistemas descritos, é correto afirmar que:
Provas
Caderno Container