Foram encontradas 40 questões.
Para um trecho de linha de transmissão de 80 km, cuja impedância em série própria é igual a (0,01+j0,03) !$ Ω !$/km e no qual a impedância mútua entre as fases é (j0,01) !$ Ω !$/km , as impedâncias em série total, de seqüência direta e de seqüência inversa, respectivamente, em ohms, são:
Provas
Um transformador de grande porte em sistemas elétricos trifásicos é componente fortemente redutor dos valores das correntes de curto-circuito que o percorrem. Sobre a sua participação nos circuitos, para cálculos de curtos, é correto afirmar que:
Provas
Um gerador de CA (alternador) síncrono trifásico de quatro pólos, capacidade 19 kVA, acionado por motor diesel, é utilizado para alimentar uma rede de baixa tensão a quatro condutores, com 220 V (tensão de linha) / 127 V (tensão fase-neutro) eficazes, 60 Hz. Com relação à construção ou operação do gerador, é correto afirmar que:
Provas
Em um transformador monofásico convencional, isolador, com relação de transformação 380/220 volts eficazes, capacidade 7600 VA, a potência é transferida de modo inteiramente magnético, significando que o núcleo participa por inteiro do total transferido. Em um auto-transformador de mesmas relação e capacidade acima, a potência transferida de modo magnético é apenas parte do total, fato que permite ter um núcleo de menor volume, quando comparado ao isolador. No auto-transformador descrito, operando em suas condições nominais, a parcela de potência aparente, em VA, transferida magneticamente é:
Provas

Considere o circuito RLC da figura acima, submetido a uma fonte de tensão com sinal do tipo degrau.
!$ ν (t)= \begin{cases}=A & p/ t \ge 0 \\ =0 & p/ t<0 \end{cases} !$
Neste caso, a corrente i(t) terá a seguinte forma:
!$ i(t)=Ke^{-σ t} \sin(ω_ot) !$
As expressões de !$ σ !$ e !$ ω_o !$, respectivamente, em função dos parâmetros R, L e C, são:
Provas
Um motor de corrente contínua, acionando um sistema mecânico, pode reversivelmente operar como freio desse sistema, se alterações em suas ligações são realizadas. Na nova ligação, seu enrolamento de campo (pólos) continua conectado à fonte como antes, e um curto-circuito é feito nos terminais de sua armadura (induzido). O controle do freiamento pode ser feito com atuação no reostato de partida normal do motor. As três formas em que a energia se apresenta, nas etapas sucessivas de um freiamento completo, na ordem de sua conversão, são:
Provas
Denomina-se “atuador” um dispositivo elétrico de pequeno ou grande porte, capaz de produzir energia mecânica, caracterizada por forças atuantes em peças sólidas de constituição ferrosa. Solenóides de fechaduras elétricas e eletro-ímãs transportadores de sucatas ferrosas em siderúrgicas são dois exemplos de atuadores usados na prática. Sobre esses dispositivos, é correto afirmar que:
Provas
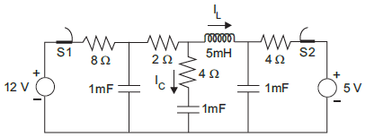
Considere as informações a seguir, para responder a questão.

A figura acima apresenta um circuito elétrico, operando em regime permanente, com as chaves S1 e S2 fechadas.
Em determinado instante, simultaneamente, as chaves S1 e S2 são abertas. Imediatamente após esse instante, a corrente IC, assinalada na figura, em ampères, que atravessa o capacitor será, aproximadamente:
Provas
Considere as informações a seguir, para responder a questão.

A figura acima apresenta um circuito elétrico, operando em regime permanente, com as chaves S1 e S2 fechadas.
A corrente IL em ampères que atravessa o indutor da figura, aproximadamente, será:
Provas
Amanda, Beatriz e Cláudia são filhas de Rita, Sílvia e Tânia, não necessariamente na ordem dada. Cada uma dessas mães só tem uma filha. Três afirmativas são feitas abaixo, mas somente uma é verdadeira.
I – Amanda não é filha de Tânia.
II – Beatriz é filha de Tânia.
III – Cláudia não é filha de Rita.
É correto concluir que:
Provas
Caderno Container