Foram encontradas 40 questões.
Em projetos de instalações elétricas em ambientes com atmosferas potencialmente explosivas (áreas classificadas) devem ser utilizados equipamentos e materiais compatíveis com a sua classificação. Sobre esse assunto, assinale a afirmação correta.
Provas
Dentre os elementos primários de medição de vazão abaixo listados, aquele que causa maior perda de carga de pressão na tubulação é a(o):
Provas
Deseja-se utilizar um CLP para fazer a contagem de peças numa esteira rolante. A passagem de cada peça corresponde a um pulso em nível alto de 100ms, produzido por um sensor ótico conectado ao módulo de entrada do CLP. Garante-se que o espaçamento entre as peças será grande o suficiente para que o tempo em nível baixo do sensor ótico seja bem maior que o tempo em nível alto. Considerando que o tempo para detecção de uma transição do nível baixo para o nível alto, no módulo de entrada do CLP, é de 10ms, o maior valor do tempo de varredura, em ms, que o CLP pode apresentar, para que a passagem da peça seja detectada, é:
Provas
Dentre os protocolos de redes de automação industrial abaixo relacionados, aquele que implementa a tecnologia de comunicação produtor-consumidor é o:a
Provas
Considere as seguintes características dos elementos primários para medida de temperatura por variação de resistência elétrica:
I - dependendo do material construtivo, a resistência pode crescer ou diminuir com o aumento da temperatura;
II - possui elevada precisão e repetibilidade, além de atuar sobre larga faixa de temperatura;
III - possui elevada sensibilidade à variação de temperatura, alterando muito sua resistência em relação ao seu valor nominal.
Os elementos correspondentes às características mencionadas, respectivamente, de I a III são:
Provas
Memórias são dispositivos que armazenam informações digitalmente codificadas em computadores. Sobre os tipos e as classes de memórias, considere as afirmativas a seguir.
I - Dado o endereço, a busca da posição de memória passa por todas as localidades intermediárias, até chegar à posição desejada, o que caracteriza a memória RAM.
II - O tempo necessário, desde a entrada de um endereço até a localização da posição de memória, é definido como tempo de acesso.
III - A memória tipo PROM é tal que, uma vez programada, transforma-se numa ROM.
IV - A memória que precisa periodicamente de reinserção de dados, operação conhecida como REFRESH, é denominada de RAM DINÂMICA.
São corretas, apenas, as afirmativas:
Provas

A figura acima apresenta o Mapa de Karnaugh do sinal Z, em função dos sinais binários A, B, C e D. O símbolo !$ \Phi !$ representa uma condição irrelevante (don’t care). A expressão lógica mais simplificada do sinal Z, em função dos sinais A, B, C e D, é:
Provas

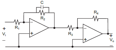
O circuito da figura acima, onde Vi é a tensão de entrada e Vo, a tensão de saída, corresponde a um filtro do tipo:
Provas

A figura acima apresenta um circuito com amplificador operacional considerado ideal e o gráfico do sinal periódico VE submetido nos terminais de entrada. A variação pico a pico do correspondente sinal de saída VS, em volts, aproximadamente, será:
Provas

A figura acima apresenta um transformador ligado a um circuito contendo capacitores e diodos, considerados ideais. Um sinal senoidal é submetido no primário do transformador, gerando um sinal senoidal com amplitude de pico Vo no secundário. Nesse caso, a diferença de potencial do ponto A em relação ao ponto B é:
Provas
Caderno Container