Magna Concursos

Foram encontradas 35 questões.

3193894 Ano: 2023
Disciplina: Engenharia Mecânica
Banca: SELECON
Orgão: SAAE Lucas do Rio Verde-MT
Provas:

O conjunto de tratamento térmico que tem como objetivo aumentar a resistência mecânica do aço, garantindo um ganho na tenacidade, é formado por:

 

Provas

Questão presente nas seguintes provas
3193893 Ano: 2023
Disciplina: Arquitetura
Banca: SELECON
Orgão: SAAE Lucas do Rio Verde-MT
Provas:

Em desenho técnico, são utilizadas convenções para facilitar a interpretação e para evitar erros. Observe-se a figura a seguir:

Enunciado 3459444-1

De acordo com o que foi estabelecido, a figura acima:

 

Provas

Questão presente nas seguintes provas
3193892 Ano: 2023
Disciplina: Engenharia Mecânica
Banca: SELECON
Orgão: SAAE Lucas do Rio Verde-MT
Provas:

A propriedade mecânica avaliada em um ensaio de compressão de materiais frágeis é o limite de:

 

Provas

Questão presente nas seguintes provas
3193891 Ano: 2023
Disciplina: Engenharia Mecânica
Banca: SELECON
Orgão: SAAE Lucas do Rio Verde-MT
Provas:

Um motor tem uma polia de 200 mm de diâmetro rotacionando a uma velocidade de 1200 rpm, que move um eixo de transmissão em que a polia mede 400 mm de diâmetro. A rotação desse eixo será:

 

Provas

Questão presente nas seguintes provas
3193890 Ano: 2023
Disciplina: Engenharia Mecânica
Banca: SELECON
Orgão: SAAE Lucas do Rio Verde-MT
Provas:

Durante o processo de soldagem, os gases gerados na fusão do eletrodo revestido têm como função proteger a:

 

Provas

Questão presente nas seguintes provas
3193889 Ano: 2023
Disciplina: Engenharia Mecânica
Banca: SELECON
Orgão: SAAE Lucas do Rio Verde-MT
Provas:

Sendo a dureza o fator primordial no processo fabril de ferramentas de corte, os principais materiais utilizados em sua fabricação são:

 

Provas

Questão presente nas seguintes provas
3193888 Ano: 2023
Disciplina: Engenharia Eletrônica
Banca: SELECON
Orgão: SAAE Lucas do Rio Verde-MT
Provas:

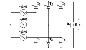
A figura a seguir representa um retificador.

Enunciado 3459439-1

Tal retificador é do tipo:

 

Provas

Questão presente nas seguintes provas
3193887 Ano: 2023
Disciplina: Engenharia Mecânica
Banca: SELECON
Orgão: SAAE Lucas do Rio Verde-MT
Provas:

A figura a seguir apresenta um micrômetro em milímetro centesimal:

Enunciado 3459438-1

Com base nas informações obtidas na figura, conclui-se que a leitura apresentada é:

 

Provas

Questão presente nas seguintes provas
3193886 Ano: 2023
Disciplina: Engenharia Elétrica
Banca: SELECON
Orgão: SAAE Lucas do Rio Verde-MT
Provas:

Um galpão foi projetado para abrigar uma empresa de manutenção em motores elétricos e, no projeto, constam as seguintes informações:

• comprimento: 25m;

• largura: 15m;

• pé-direito: 6m;

• iluminação da atividade: 1500 lux;

• fluxo luminoso/luminária: 25.000 lúmens;

• fator de depreciação= 0,8;

• coeficiente de utilização= 0,9.

De acordo com os dados, o número aproximado de luminárias nesse projeto é:

 

Provas

Questão presente nas seguintes provas
3193885 Ano: 2023
Disciplina: Engenharia Elétrica
Banca: SELECON
Orgão: SAAE Lucas do Rio Verde-MT
Provas:

O valor da frequência da corrente induzida no rotor de um motor de indução de 10 polos, que gira a 690 rpm em uma frequência de 60 Hz, é, em Hertz, aproximadamente:

 

Provas

Questão presente nas seguintes provas