Foram encontradas 10 questões.
Para realização de uma manutenção preventiva em uma subestação transformadora, após a confirmação da desenergização pela concessionária, deve-se prosseguir corretamente na sequência com
Provas
Questão presente nas seguintes provas
Controle de velocidade, partida e parada progressiva e movimentos complexos é o método de partida
Provas
Questão presente nas seguintes provas
As principais características de um CLP (controlador lógico programável) são:
Provas
Questão presente nas seguintes provas
O esquema elétrico a seguir representa um comando para uma bomba d água que envia água para um reservatório superior captada de um reservatório inferior. Em funcionamento automático, o reservatório superior está transbordando. Isso está ocorrendo por falha em

Provas
Questão presente nas seguintes provas
Assinale a alternativa correta das partidas apresentas para motores elétricos trifásicos de acordo com a respectiva identificação.

Provas
Questão presente nas seguintes provas
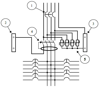
O esquema elétrico apresenta a ligação de um quadro de distribuição. Assinale a alternativa correta de acordo com os elementos identificados.

Provas
Questão presente nas seguintes provas
Um motor elétrico trifásico de doze pontas para tensões: 220/380/440/760 V pode partir com sistema estrela/triângulo em rede elétrica trifásica de
Provas
Questão presente nas seguintes provas
Assinale a alternativa correta de acordo com as identificações nas ligações de lâmpadas apresentadas.

Provas
Questão presente nas seguintes provas
Um dos disjuntores de um quadro de distribuição está desligando automaticamente após um determinado tempo de sua ligação. Para se verificar o que está ocorrendo, será necessário utilizar um
Provas
Questão presente nas seguintes provas
Nas manutenções preventivas de um transformador de força a óleo, os itens a serem verificados são:
Provas
Questão presente nas seguintes provas
Cadernos
Caderno Container