Foram encontradas 50 questões.
Considere o circuito do autotransformador apresentado abaixo para responder à questão.

Provas
Provas
- EletrotécnicaCircuitos Elétricos em Eletricidade
- EletrotécnicaCircuitos de Corrente Contínua e de Corrente Alternada
Veja a circulação de corrente no circuito conforme ilustrado a seguir.

Quais os valores das correntes i1, i2 e i3, respectivamente?
Provas
O esquema multifilar apresentado a seguir é utilizado quando desejamos comandar uma lâmpada em dois pontos diferentes, tais como escadas, corredores e quartos.

O interruptor utilizado para esse tipo de acionamento é denominado:
Provas
- EletrotécnicaCircuitos Elétricos em Eletricidade
- EletrotécnicaCircuitos de Corrente Contínua e de Corrente Alternada
Provas
- EletrotécnicaCircuitos Elétricos em Eletricidade
- EletrotécnicaCircuitos de Corrente Contínua e de Corrente Alternada

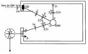
Ao analisar o diagrama unifilar da instalação elétrica apresentada acima, considere as seguintes afirmativas:
I – o circuito 1 é empregado para alimentação da lâmpada e o circuito 2 para alimentação das tomadas.
II – no eletroduto entre a lâmpada e o interruptor, estão instalados somente os cabos de neutro e retorno do circuito 1 de iluminação.
III – no eletroduto entre a lâmpada e a tomada baixa, estão instalados os cabos de fase, neutro e terra de 2,5 mm2.
Das afirmativas apresentadas acima, estão corretas, apenas:
Provas
Considere o circuito do autotransformador apresentado abaixo para responder à questão.

Provas
I - os materiais isolantes possuem elétrons mais afastados do núcleo atômico em comparação aos materiais condutores. Esses elétrons mais afastados são atraídos por forças mais fracas geradas pelas cargas positivas dos prótons localizadas no núcleo. II - os elétrons da camada de valência dos materiais isolantes estão mais próximos do núcleo atômico, o que dificulta a formação dos elétrons livres ou de condução. III - os materiais isolantes favorecem a dissipação de carga estática devido ao grande número de elétrons de condução.
Das afirmativas apresentadas acima, estão corretas, apenas:
Provas
O sensor apresentado na figura acima é denominado:Provas
I - O conversor de frequência pode aumentar a eficiência do conjunto motor-bomba ao permitir que a bomba opere próxima ao ponto de máxima eficiência. II - O conversor de frequência permite a partida suave do motor elétrico, reduzindo a corrente de partida e consequentemente diminuindo o estresse elétrico e térmico do motor causado pelas elevadas correntes na partida. III - O conversor de frequência não altera a curva da bomba (potência versus vazão) quando aciona o motor elétrico do conjunto motor-bomba em rotações diferentes.
Qual ou quais das afirmativas apresentadas acima está(ão) correta(s)?
Provas
Caderno Container