Magna Concursos

Foram encontradas 40 questões.

3047710 Ano: 2014
Disciplina: Segurança e Saúde no Trabalho (SST)
Banca: FCC
Orgão: SABESP
Analise as responsabilidades abaixo sobre segurança em instalações e serviços de eletricidade. I. Na ocorrência de acidentes de trabalho envolvendo instalações e serviços em eletricidade, propor e adotar medidas preventivas e corretivas. II. Promover ações de controle de riscos originados por outrem em suas instalações elétricas e oferecer, de imediato, quando cabível, denúncia aos órgãos competentes. III. Zelar pela sua segurança e saúde e a de outras pessoas que possam ser afetadas por suas ações ou omissões no trabalho. IV. Responsabilizar-se junto com a empresa pelo cumprimento das disposições legais e regulamentares, inclusive quanto aos procedimentos internos de segurança e saúde. V. Comunicar de imediato, ao responsável pela execução do serviço, as situações que considerar de risco para sua segurança e saúde e a de outras pessoas. Das responsabilidades citadas, pertencem ao empregado o que consta APENAS em
 

Provas

Questão presente nas seguintes provas
3047709 Ano: 2014
Disciplina: Segurança e Saúde no Trabalho (SST)
Banca: FCC
Orgão: SABESP
Sobre Equipamentos de Proteção Individual − EPI, NÃO é responsabilidade do empregado
 

Provas

Questão presente nas seguintes provas
3047708 Ano: 2014
Disciplina: Engenharia Elétrica
Banca: FCC
Orgão: SABESP
A causa mais frequente da queima de equipamentos eletrônicos como computadores, TVs e aparelhos de fax, é a sobretensão causada por descargas atmosféricas ou manobras de circuitos na rede elétrica. Contudo, estes problemas podem ser evitados, instalando no quadro de luz dispositivo próprio capaz de evitar qualquer tipo de dano, descarregando para a terra esses pulsos de alta-tensão. O dispositivo que evita esses danos é o
 

Provas

Questão presente nas seguintes provas
3047707 Ano: 2014
Disciplina: Física
Banca: FCC
Orgão: SABESP
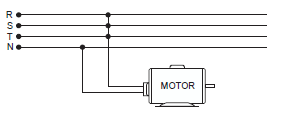
A instalação correta de um motor monofásico de 110Vrms encontra-se em
 

Provas

Questão presente nas seguintes provas
3047706 Ano: 2014
Disciplina: Engenharia Elétrica
Banca: FCC
Orgão: SABESP
Sobre as ligações triângulo/estrela, é correto afirmar que são ligações utilizadas em
 

Provas

Questão presente nas seguintes provas
3047705 Ano: 2014
Disciplina: Física
Banca: FCC
Orgão: SABESP
Um transformador monofásico ideal tem um enrolamento de 4700 espiras e outro de 940 espiras. Quando o enrolamento com maior número de espiras é ligado em uma rede elétrica de 120V, a tensão no secundário (enrolamento menor) será de
 

Provas

Questão presente nas seguintes provas
3047704 Ano: 2014
Disciplina: Física
Banca: FCC
Orgão: SABESP
No circuito de um chuveiro elétrico, nota-se que os fios esquentam além do normal. Para comprovar se os fios estão com excesso de corrente, o mais prático é medi-la por meio de um
 

Provas

Questão presente nas seguintes provas
3047703 Ano: 2014
Disciplina: Física
Banca: FCC
Orgão: SABESP
Sobre um chuveiro de 220V/6400W instalado em uma rede de 110V, é correto afirmar que
 

Provas

Questão presente nas seguintes provas
Somando-se certo número positivo x ao numerador, e subtraindo-se o mesmo número x do denominador da fração 2/3 obtém-se como resultado, o número 5. Sendo assim, x é igual a
 

Provas

Questão presente nas seguintes provas
Uma piscina está vazia e tem capacidade de 65,4 m³ de água. A vazão da torneira que irá encher continuamente essa piscina é de 250 mL por segundo. Nessas condições, o tempo necessário e suficiente para encher essa piscina é de Dado: 1 m³ equivale a 1.000 litros
 

Provas

Questão presente nas seguintes provas