Foram encontradas 40 questões.
- EletrotécnicaInstalações Elétricas em Eletricidade
- Legislação, Normas e ResoluçõesSegurança do Trabalho
Sobre os equipamentos de proteção individual (EPI) e coletiva (EPC), podemos afirmar:
Provas
A figura a seguir mostra a placa de identificação de um motor elétrico de indução trifásico. Sobre esta figura, responda à questão.

Sobre as características deste motor, podemos afirmar:
Provas
A figura a seguir mostra a placa de identificação de um motor elétrico de indução trifásico. Sobre esta figura, responda à questão.

Quando o motor é conectado na tensão trifásica de alimentação de 380 V através de uma chave de partida direta, qual é o valor eficaz da corrente de partida?
Provas
Qual das alternativas a seguir corresponde à diferença entre o disjuntor diferencial residual (DDR) e o interruptor diferencial residual (IDR)?
Provas
- EletrotécnicaCircuitos Trifásicos em Eletricidade
- EletrotécnicaCircuitos Elétricos em Eletricidade
- EletrotécnicaTransformadores
- EletrotécnicaEquipamentos Elétricos
Em um primeiro teste, um eletricista aplicou uma tensão contínua de 20,0 V em um transformador monofásico e, após a estabilização, mediu uma corrente contínua de 2,0 A. Para caracterizar o transformador operando em vazio, em um segundo teste, o eletricista aplicou uma tensão alternada de 220,0 V e mediu uma corrente alternada de 5,5 A. Para este segundo teste em corrente alternada, quais são, respectivamente, os valores da potência ativa e do fator de potência?
Provas
Os desenhos (a) e (b) a seguir representam dois esquemas de aterramento, previstos pela Norma ABNT NBR 5410 – Instalações elétricas de baixa tensão. Com base nos desenhos, responda à questão.
.

Assinale a alternativa verdadeira.
Provas
Os desenhos (a) e (b) a seguir representam dois esquemas de aterramento, previstos pela Norma ABNT NBR 5410 – Instalações elétricas de baixa tensão. Com base nos desenhos, responda à questão.
.

Assinale a alternativa verdadeira.
Provas
Observe o diagrama da figura a seguir. Com base na figura, responda à questão.

Assinale a alternativa verdadeira.
Provas
Observe o diagrama da figura a seguir. Com base na figura, responda à questão.

Qual é a indicação correta da fiação para o trecho marcado com X?
Provas
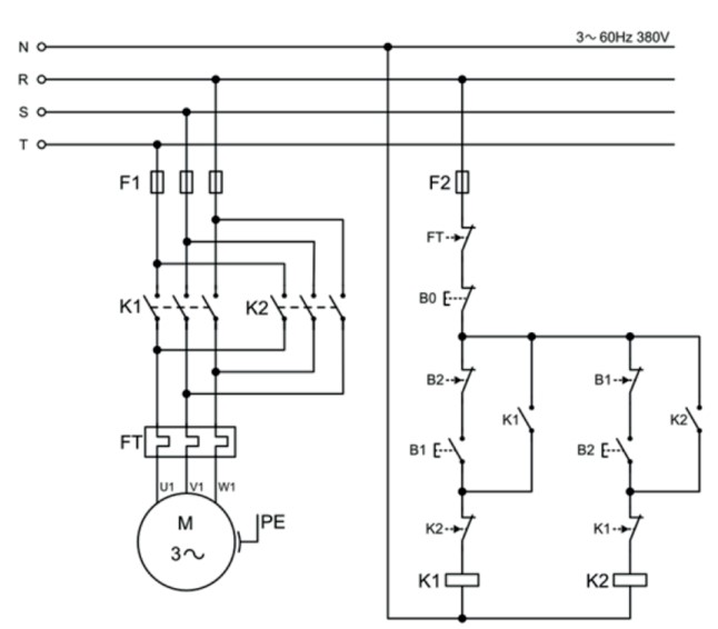
Observe o diagrama da figura a seguir. Com base no diagrama, responda à questão

Qual a diferença entre os componentes de proteção F1 e FT?
Provas
Caderno Container