Foram encontradas 60 questões.
Um motor de indução de seis polos está operando com frequência de 40 Hz e escorregamento de 0,05. Qual é a velocidade do rotor?
Provas
No que diz respeito às propriedades magnéticas dos materiais, a permeabilidade magnética relativa pode ser utilizada para classificar um determinado material. Assim, os materiais com permeabilidade magnética relativa ligeiramente menor que a unidade, ligeiramente maior que a unidade e significativamente maior que a unidade são classificados, respectivamente, como:
Provas
As equações de Maxwell unificam quatro leis do eletromagnetismo. Qual dessas equações estabelece que as linhas de campo magnético são contínuas, não havendo polo sul ou polo norte magnético isolado?
Provas
Um material condutor, ou semicondutor, imerso em um campo magnético e percorrido por uma corrente elétrica ortogonal ao campo magnético, tem suas cargas elétricas deslocadas para as extremidades do material por forças eletromagnéticas ortogonais ao campo e à corrente. A esse fenômeno dá-se o nome de efeito
Provas
Um circuito trifásico, cujas potências de cada uma das fases são de 300 W (fase A), 300 VAr adiantada (fase B) e 700 VAr atrasada (fase C), tem como módulo de potência aparente total:
Provas
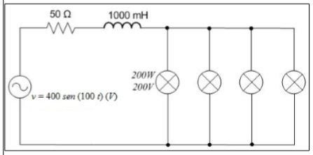
A figura a seguir mostra quatro lâmpadas incandescentes em paralelo alimentadas por uma fonte senoidal. Os valores nominais de cada uma das lâmpadas são 200 W e 200 V.

Na configuração mostrada, qual é a potência efetivamente consumida individualmente pelas lâmpadas?
Provas
Uma carga trifásica equilibrada possui impedância de 40+j30 ohms por fase e está conectada em estrela. Se a tensão eficaz de linha for 200√3 V, qual é o valor aproximado da potência ativa total dissipada pela carga?
Provas
Em um sistema de transmissão FM, a modulação do sinal é feita por meio da modulação em
Provas
De acordo com a Norma Regulamentadora n. 10 (NR 10), do Ministério do Trabalho e Emprego (MTE), o trabalhador que comprovar conclusão de curso específico na área elétrica, reconhecido pelo Sistema Oficial de Ensino, é considerado
Provas
De acordo com a Norma Regulamentadora n. 10 (NR 10), do Ministério do Trabalho e Emprego (MTE), o raio de delimitação entre a zona controlada e a zona livre, a partir do ponto da instalação energizado, é de 1,38 m para a seguinte faixa de tensão nominal da instalação elétrica:
Provas
Caderno Container