Foram encontradas 70 questões.
De acordo com a norma NBR 5410:2004, a capacidade de condução de corrente de um condutor de cobre unipolar de 2,5 mm2, com isolação em PVC, instalado em eletroduto de seção circular embutido em alvenaria, com dois condutores carregados, é de
Provas
Em relação aos disjuntores utilizados em circuitos de baixa tensão, é correto afirmar que
Provas
A seguinte figura apresenta um circuito trifásico balanceado, com cargas balanceadas. Para esse circuito, assinale a alternativa que apresenta o valor da potência ativa total sendo fornecida pela fonte.

Provas
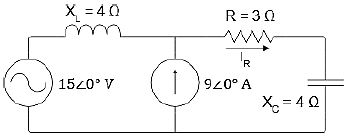
Qual é a corrente IR, indicada no circuito da figura a seguir?

Provas
Sobre as características construtivas dos cabos isolados, utilizados em sistemas de baixa tensão, é correto afirmar que
Provas
Um motor de indução trifásico, ligado em estrela, apresenta os seguintes dados de placa:
~3
10 cv
3500 RPM
60 Hz
220/380 V
Ip/In = 9
IP55
FS = 1.15
Rendimento = 87,5%
cos !$ \varphi !$ = 0,85
Qual é o valor da corrente de linha no momento da partida do motor?
Provas
Assinale a alternativa que apresenta o período de um ciclo do sinal resultante da soma dos sinais:
!$ V_1 \, = \, 10sen(2 \pi 60 t) \, V. !$.
!$ V_2 \, = \, 3sen(2 \, \pi 120t) \, V !$.
!$ V_3 \, = \, 1sen(2 \pi 180t) V. !$.
Provas
De acordo com a norma NBR 5410:2004, referente à equipotencialização, assinale a alternativa INCORRETA.
Provas
Em relação aos diagramas clássicos de força/potência e de comando utilizados na partida do tipo estrela-triângulo de motores de indução trifásicos, assinale a alternativa correta.
Provas
Quanto ao fator de potência sobre um indutor ideal, é correto afirmar que
Provas
Caderno Container