Foram encontradas 70 questões.
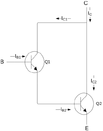
O circuito da figura a seguir mostra a configuração de um transistor Darlington.
Sabe-se que:
!$ I_{C1} \, = \, 5 \, A !$
!$ I_{C2} \, = \, 25 \, A !$
!$ \beta_1 \, = \, 20 !$
!$ \beta_2 \, = \, 10 !$
Com base no exposto, o valor da corrente de base !$ I_{b1} !$ para ligar a conexão Darlington é

Provas
Considere o circuito da seguinte figura. Caso a Chave 1 seja aberta, o valor do módulo da corrente no neutro será de

Provas
Os Dispositivos de Proteção contra Surto (DPS), comumente utilizados em instalações elétricas de baixa tensão, são constituídos por um
Provas
Por meio de um analisador de qualidade de energia, um profissional anotou os valores de amplitude e frequência das correntes lidas em um equipamento industrial. Mais tarde, utilizou um programa de computador para desenhar as formas de onda das correntes anotadas. Com base no resultado do programa, o qual está evidenciado na figura a seguir, é possível afirmar que as ordens harmônicas de corrente presente na leitura são:
Observação: considere 60 Hz como sendo a frequência fundamental.

Provas
Sobre as principais propriedades dos lubrificantes utilizados em processos industriais, é correto afirmar que
Provas
Durante um ensaio de bancada, foi necessário identificar um componente imerso em resina, o qual não podia ser visualizado.
Sendo possível acessar os dois terminais desse componente, o técnico responsável fez o seguinte teste: conectou os dois terminais em um gerador de onda senoidal de frequência variável e mediu a corrente por meio de um multímetro. O resultado do teste foi que, quanto maior a frequência do gerador, menor a corrente lida pelo multímetro. Por meio desse teste, é possível inferir que o componente seja um
Provas
Para o circuito da seguinte figura, qual é o módulo da potência reativa fornecida pela fonte de tensão?

Provas
Assinale a alternativa que apresenta o valor da potência média fornecida por um circuito monofásico, cujos valores de tensão e corrente são:
!$ v \, = \, 50 \, sen \, (2 \pi 60t \, + \, 80º) \, V \,\, i \, = \, 2sen(2 \pi 60t \, + \, 20º)A !$
Provas
A carga elétrica de um capacitor de 2700 !$ \mu !$F submetido a uma tensão de 5 V é de
Provas
Um técnico foi chamado para analisar um equipamento que estava sobreaquecendo.
Estudando o circuito elétrico desse equipamento, suspeitou de uma possível condição de ressonância em um trecho RLC série, alimentado por uma fonte CA, cujos componentes possuíam os seguintes valores:
Fonte: 127 V (eficaz) e frequência de 60 Hz.
Resistor: 10 !$ \Omega !$.
Indutor: 0,04 H.
Capacitor: 144 !$ \mu !$F.
Se calculado corretamente pelo técnico, o valor aproximado da frequência de ressonância do circuito descrito deve ser de
Provas
Caderno Container