Foram encontradas 70 questões.
Disciplina: TI - Organização e Arquitetura dos Computadores
Banca: FUNDATEC
Orgão: SBC
Ao processar um arquivo mapeado em memória, a leitura de dados do arquivo em disco para a memória principal ocorre como resultado de uma:
Provas
O paralelismo em nível de instruções existe quando as instruções de uma sequência são independentes e, assim, podem ser executadas em paralelo por sobreposição. Como um exemplo do conceito de paralelismo, considere dois pedaços de código (A e B) a seguir (JOUPPI, 1989):
| Código A | Código B |
| Load R1 ← R2 | Add R3 ← R3, “1” |
| Add R3 ← R3, “1” | Add R4 ← R3, R2 |
| Add R4 ← R4, R2 | Store [R4] ← R0 |
Assinale a alternativa INCORRETA a respeito do paralelismo.
Provas
Disciplina: TI - Organização e Arquitetura dos Computadores
Banca: FUNDATEC
Orgão: SBC
Um barramento do sistema consiste, normalmente, em cerca de 50 a centenas de linhas separadas. Cada linha recebe um significado ou função em particular. Embora existam muitos projetos de barramento diferentes, em qualquer barramento as linhas podem ser classificadas em grupos funcionais. Assinale a alternativa INCORRETA sobre barramento.
Provas
Disciplina: TI - Organização e Arquitetura dos Computadores
Banca: FUNDATEC
Orgão: SBC
Um microcontrolador hipotético contém 3 tipos de memória: uma memória Flash, para armazenamento dos programas, uma memória RAM, para manipulação das variáveis de programa e uma memória EEPROM, para armazenamento de programas de longa permanência. O endereço para acessar uma posição da memória Flash é um número binário de 16 bits e, em cada endereço (posição de memória), são armazenados 16 bits. Com essas informações, analise as assertivas a seguir:
I. A memória Flash possui uma capacidade de armazenamento de 128 kBytes.
II. Considerando que a memória RAM possui 211 endereços e que o primeiro endereço da memória é o endereço 000, o último endereço da memória, representado em hexadecimal, é 7FF16.
III. As memórias Flash, RAM e EEPROM são exemplos de memórias não voláteis.
Quais estão corretas?
Provas
- Fundamentos de ProgramaçãoAlgoritmosAnálise de Execução de Algoritmos
- Fundamentos de ProgramaçãoLógica de Programação
- Fundamentos de ProgramaçãoVariáveisEscopo de Variáveis
O programa (em linguagem C) abaixo executa em um sistema operacional da família UNIX. Considere que todas as rotinas invocadas no programa executam sem erro. Assinale a alternativa que indica o resultado impresso na tela pelo programa.
| signed int i; |
Provas
- Gerenciamento de MemóriaMemória Virtual (Conceito)
- LinuxMemória no Linux
- WindowsGerenciamento de Memória no Windows
Sistemas operacionais que utilizam o método de memória virtual usualmente reservam um espaço em memória secundária (ex. disco) denominado de “área de troca”, espaço este utilizado para realizar:
Provas
Disciplina: TI - Organização e Arquitetura dos Computadores
Banca: FUNDATEC
Orgão: SBC
Considere uma memória cache com um tamanho de linha de 16 bytes e uma memória principal que requer 20 ns para transferir uma palavra de 8 bytes, para qualquer linha que seja escrita pelo menos uma vez, antes de ser retirada da cache. Qual é o número médio de vezes que a linha precisa ser escrita antes de ser retirada para que uma cache write-back seja mais eficiente do que uma cache write-through?
Provas
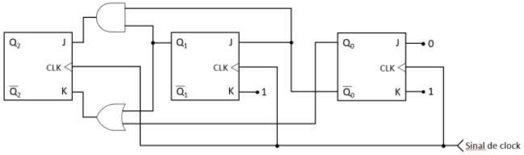
Seja o contador síncrono da figura abaixo. Considerando que os valores binários das saídas do contador sejam Q2 = 0; Q1 = 1 e Q0 = 0, assinale a alternativa que contém o valor binário das saídas Q2, Q1 e Q0 após o próximo pulso do sinal de clock.
OBS: A presença de um ponto preto em um cruzamento de linhas representa uma conexão.

Provas
Uma expressão lógica do tipo soma de produtos está na forma canônica se cada um de seus mintermos (termos produto) contêm todas as variáveis, seja na forma direta ou na forma complementada. Assinale a alternativa que contém a expressão lógica, representada pela soma dos seus mintermos, cuja simplificação pela álgebra booleana fornece a expressão:
!$ x = A \overline B + \overline B C !$
Provas
Sobre o lema do bombeamento para as linguagens regulares, analise as assertivas a seguir:
I. Se uma linguagem é Regular, então é aceita por um Autômato Finito Determinístico o qual possui um número finito e predefinido de n estados.
II. Se o autômato reconhece uma entrada w de comprimento maior ou igual a n, obrigatoriamente o autômato assume algum estado q mais de uma vez, então existe um ciclo na função programa que passa por q.
III. A entrada w pode ser dividida em 3 subpalavras w = xyz tal que |xy| <= n, |y| >= 1 e onde y é a parte de w reconhecida pelo ciclo na função programa.
IV. O Lema do bombeamento não pode ser utilizado para provar que uma determinada linguagem é Não Regular.
Quais estão corretas?
Provas
Caderno Container