Foram encontradas 50 questões.
Considerando os equipamentos de proteção individual adotados durante a fase de alvenaria e preparo para as instalações embutidas de uma obra, assinale o equipamento INADEQUADO para essa fase da obra.
Provas

Piso da sala = tacos
Considerando que um pedreiro produz 6 m2 de piso em 2 tacos por dia e 4 m2 de cerâmica por dia, o prazo estimado para a realização desses dois serviços, com apenas um pedreiro, sem interrupção, em dias, é de:
Provas

Piso da sala = tacos
Para que a sala possua um grau de iluminação e ventilação correspondente a 1/6 da área do piso, e considerando que apenas J1 e J2 entram nos cálculos, a menor largura possível para J2, em metros, será:
Provas
As questões 44 a 47 referem-se às composições unitárias abaixo.
· Concreto traço 1:2:3 (m3 )
areia ......................... 0,654 m3
2
· Emboço, espessura 2,5 cm, traço 1:6 (m²)
areia .......................... 0,014 m3
3
Considerando que o preço da brita (R$ 10,00/m3 ), aumentará 50%, o preço do m3 do concreto 1:2:3 sofrerá um acrés cimo, em R$, de:
Provas
As questões 44 a 47 referem-se às composições unitárias abaixo.
· Concreto traço 1:2:3 (m3 )
areia ......................... 0,654 m3
2
· Emboço, espessura 2,5 cm, traço 1:6 (m²)
areia .......................... 0,014 m3
3
Considerando o preço do saibro como R$ 60,00 por caminhão de 6 m3 , com 100% de aproveitamento, a parcela de custo referente ao saibro para realizar 100 m2 de emboço com 4,0 cm de espessura e com traço 1:6, em R$, vale:
Provas
As questões 44 a 47 referem-se às composições unitárias abaixo.
· Concreto traço 1:2:3 (m3 )
areia ......................... 0,654 m3
2
· Emboço, espessura 2,5 cm, traço 1:6 (m²)
areia .......................... 0,014 m3
3
O consumo de areia para emboçar uma parede com 120 m2 e que, por um erro, terá que ser executada com 5 cm de espessura, utilizando o traço 1:6, em m3 , é de:
Provas
As questões 44 a 47 referem-se às composições unitárias abaixo.
· Concreto traço 1:2:3 (m3 )
areia ......................... 0,654 m3
2
· Emboço, espessura 2,5 cm, traço 1:6 (m²)
areia .......................... 0,014 m3
3
A menor quantidade de sacos de cimento (50 kg) a ser comprada para a concretagem total de um pilar com 1,00 m x 0,50 m x 2,00 m, utilizando-se um concreto 1:2:3, é:
Provas
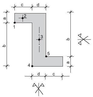
Observe a figura abaixo:

O centróide da área hachurada está representado pelo ponto:
Provas

A classificação dessa estrutura, com relação ao equilíbrio, é:
Provas

O número de graus de liberdade que esta estrutura possui é:
Provas
Caderno Container