Foram encontradas 100 questões.
Com relação à eletrônica analógica, julgue o próximo item.
Na configuração base-comum, os amplificadores funcionais, que utilizam um transistor do tipo TBJ, recebem o sinal de frequência alternada a ser amplificado por meio do terminal de base, tensão base-emissor, e o sinal de saída é obtido pelo terminal coletor, tensão coletor-emissor.
Provas
A respeito de softwares, julgue o item seguinte.
O projeto de circuitos digitais, quando executado por ferramentas EDA, pode ser feito de forma automatizada. Um exemplo disso é o ambiente Quartus II, que possui editor de texto capaz de trabalhar com Verilog e VHDL.
Provas
Com relação à eletrônica de potência, julgue o item a seguir.
Na eletrônica de potência, uma das principais preocupações é a transferência de potência por meio de dispositivos eletrônicos. Nessa evolução, o reostato pode ser considerado como um mecanismo que realiza essa tarefa com baixa eficiência, tendo sido superado pelo transistor de potência.
Provas
Quanto à instrumentação e às técnicas de medidas, julgue o item que se segue.
Instrumentos de medidas podem ser classificados quanto ao seu princípio de funcionamento. O instrumental do tipo eletrodinâmico utiliza o princípio em que duas lâminas metálicas, dentro de uma bobina, ficam polarizadas com a passagem de corrente pela bobina e acabam se repelindo, uma com relação à outra, e servindo de indicador.
Provas
Com relação à eletrônica analógica, julgue o próximo item.
A regulação de tensão de fontes pode ser implementada por meio de transistores nas variantes regulador de tensão tipo série e regulador de tensão tipo paralelo. Ambos utilizam uma tensão de referência, que pode ser provida por meio de um diodo Zener.
Provas
No que se refere à eletrônica digital, julgue o item subsequente.
O uso de contadores digitais assíncronos , com grande quantidade de flip-flop, não é aconselhável para altas frequências de trabalho, pois, se o atraso de processamento de cada unidade flip-flop for grande, haverá erros de contagem.
Provas
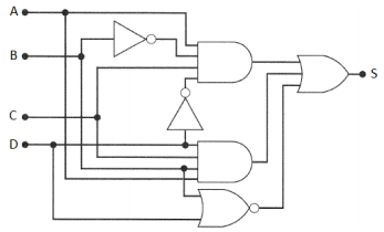
No que se refere à eletrônica digital, julgue o item subsequente.
Analisando-se o circuito digital abaixo, é correto afirmar
que sua expressão de saída, ou seja, o valor de S, é igual
a 

Provas
Acerca de máquinas elétricas, julgue o item que se segue.
Entre os tipos de motores de corrente alternada assíncronos, há o denominado de gaiola de esquilo, em que o tipo monofásico possui maior torque de partida que o trifásico.
Provas
Acerca de máquinas elétricas, julgue o item que se segue.
A velocidade síncrona, em RPM, de um motor elétrico de indução de seis polos que trabalha na frequência de 60 Hz é de 450 RPM.
Provas
A respeito de acionamentos e controles elétricos, julgue o seguinte item.
Motores trifásicos de elevadores utilizam freio motor. Seu acionamento ocorre pela falta de energia, por meio de um sistema de eletroímãs. O acionamento desse freio é executado de forma mais rápida quando sua fonte de alimentação se encontra diretamente ligada aos terminais do motor, bem depois da contactora que aciona o sistema do elevador.
Provas
Caderno Container