Foram encontradas 503 questões.
- EletromagnetismoElétricaAssociação de Resistores
- EletromagnetismoElétricaCircuitos Elétricos Especiais: Leis de Kirchhoff e Ponte de Wheatstone
- EletromagnetismoElétricaEletricidade
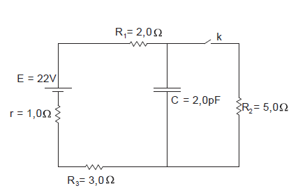
Considere o circuito elétrico, esquematizado abaixo, constituído por um gerador (E =22 V, r = 1,0 Ω), três resistores (R1 = 2,0 Ω, R2 = 5,0 Ω e R3 = 3,0 Ω), um capacitor (C = 2,0 pF) e uma chave interruptora (k).

A relação entre a quantidade de carga elétrica armazenada no capacitor quando a chave k aberta e aquela quando k está fechada vale
Provas
- EletromagnetismoElétricaEletricidade
- EletromagnetismoElétricaForça Elétrica, Campo Elétrico e Eletrização
Considere as linhas de força de um campo elétrico uniforme E ,de intensidade E = 5,0 . 104 N/C, e dois pontos A e B, no interior desse campo, como mostra a figura abaixo.

O trabalho realizado pelo campo para deslocar uma carga q = 2,0 μC de A até B, em joules, vale
Provas
- OndulatóriaOndas e Propriedades Ondulatórias
- OndulatóriaOscilações e Movimento Harmônico
- OndulatóriaAcústica
Um motor produz vibrações transversais em uma corda de 0,60 m de comprimento, tendo uma extremidade fixa a uma parede e a outra ligada ao motor. A frequência produzida pelo motor é de 50 Hz e na corda se estabelece uma onda estacionária, de acordo com a figura abaixo.

A velocidade de propagação da onda na corda é, em m/s,
Provas
O ângulo de incidência i do raio luminoso no espelho é tal que Provas
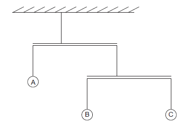
Para o equilíbrio, se a massa da esfera B é mB = 4 kg, a massa da esfera A é, em kg, Provas
Nestas condições e com os dados da figura, a intensidade da força de tração no fio BC, em newtons, vale aproximadamenteProvas
No ponto A, a velocidade do bloco é 1,0 m/s e no ponto B, distante 1 m de A, é 3,0 m/s.
O coeficiente de atrito entre o bloco e o plano vale Dados: g = 10 m/s2 sen 30° = 1/2 cos 30° = √3/2
Provas
No ponto P, indicado na figura, a velocidade e a aceleração vetoriais da partícula estão melhor representadas em Provas

Provas

Provas
Caderno Container