Foram encontradas 40 questões.
A luz branca, ao passar por um prisma de vidro, se dispersa, separando-se nas várias cores do
espectro visível. Isso ocorre porque:
Provas
Questão presente nas seguintes provas
O fenômeno de refração da luz ocorre quando:
Provas
Questão presente nas seguintes provas
Um espelho côncavo tem uma distância focal de 10cm. Se um objeto é colocado a 25cm do
espelho, em que posição será formada a imagem?
Provas
Questão presente nas seguintes provas
Dois fios separados por uma distância de d = 0,5cm são percorridos por uma corrente de 15A
mas em sentidos opostos. Qual o campo magnético em um devido à presença do outro? (Dados:
μo = 4π × 10–7 T. m/A)
Provas
Questão presente nas seguintes provas
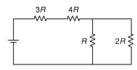
Um circuito elétrico é composto de quatro resistores (dois ligados em série e dois em paralelo)
conectados a uma bateria, conforme figura abaixo. Qual das seguintes alternativas indica
corretamente o valor da diferença de potencial entre os quatros resistores?


Provas
Questão presente nas seguintes provas
Um resistor de10Ω está conectado a uma fonte de tensão de 20V. Qual o valor da corrente que
Provas
Questão presente nas seguintes provas
Uma carga Q1 está localizada na origem de um sistema de coordenadas, uma segunda carga
Q2 está localizada no eixo y a uma distância a da origem. Uma terceira carga Q3 está localizada no
eixo x a uma distância a da origem, como mostra a figura abaixo. Considerando a = 0,10m,
Q1 = −2μC, Q2 = Q3 = 5μC e para a constante de Coulomb use ke = 9 × 10
9 N. m2
/C2
. Qual o
valor do módulo da força elétrica resultante em Q1 ?


Provas
Questão presente nas seguintes provas
- EletromagnetismoElétricaEletricidade
- EletromagnetismoElétricaForça Elétrica, Campo Elétrico e Eletrização
Um bastão de vidro, ao ser atritado com uma borracha, torna-se carregado positivamente. Isso
acontece porque,
Provas
Questão presente nas seguintes provas
Duas amostras de diferentes gases (A e B), estão contidas em recipientes idênticos e mantidos
na mesma temperatura. Cada amostra tem o mesmo número de moléculas, porém cada
molécula do gás A tem massa 64 vezes maior que cada uma das moléculas do gás B. Sobre
essa situação podemos afirmar que:
I. No gás B, as moléculas se movimentam mais rápido.
II. As moléculas do gás B produzem um impacto maior nas paredes do recipiente, que o impacto provocado pelas moléculas do gás A.
III. Ambas as amostras estão sob à mesma pressão.
IV. As colisões entre moléculas e paredes dos recipientes são mais frequentes na amostra A do que na B.
Assinale a alternativa que apresenta APENAS as afirmações corretas.
I. No gás B, as moléculas se movimentam mais rápido.
II. As moléculas do gás B produzem um impacto maior nas paredes do recipiente, que o impacto provocado pelas moléculas do gás A.
III. Ambas as amostras estão sob à mesma pressão.
IV. As colisões entre moléculas e paredes dos recipientes são mais frequentes na amostra A do que na B.
Assinale a alternativa que apresenta APENAS as afirmações corretas.
Provas
Questão presente nas seguintes provas
Um gás ideal sofre uma expansão isotérmica, dobrando seu volume original. Se a pressão inicial
do gás era de 100kPa, qual será a pressão final?
Provas
Questão presente nas seguintes provas
Cadernos
Caderno Container