Foram encontradas 80 questões.

Provas
A respeito da Teoria da Relatividade são feitas as seguintes afirmações:
I. A velocidade da luz no vácuo tem o mesmo valor para todos os observadores, quaisquer que sejam seus movimentos ou da fonte que emite a luz.
II. Para corpos com massa que se movem com velocidades próximas à da luz ocorre uma redução em todas as suas dimensões.
III. A massa de um tijolo quente é maior que a de mesmo tijolo quando frio.
correto o que se afirma APENAS em
Provas
Analise as afirmações acerca da teoria quântica:
I. A teoria quântica coloca em xeque a precisão rigorosa e o determinismo característicos da física clássica de Newton.
II. A teoria quântica é limitada ao mundo do infinitamente pequeno, segundo Erwin Schrödinger.
III. O Princípio da Incerteza, formulado em 1927 por Werner Heisenberg, afirma ser impossível medir com precisão, no mesmo instante, a posição e a velocidade de uma partícula.
Dentre elas,
Provas
Numa usina nuclear, como a de Angra dos Reis, por exemplo, obtém-se energia elétrica proveniente da
Provas
No desenvolvimento da Física Moderna, um dos pilares é a teoria quântica, estabelecida no início do século passado. Faça a associação correta entre os personagens históricos e suas proposições.

Provas
O esquema abaixo mostra um ímã em forma de barra e um solenoide associado a um microamperímetro A.

O microamperímetro A indicará uma corrente elétrica induzida quando o
I. solenoide e o ímã se movem, aproximando-se um do outro.
II. solenoide e o ímã se movem, afastando-se um do outro.
III. solenoide e o ímã se movem, mantendo constantes suas posições relativas.
IV. ímã se move num movimento de vai e vem, no interior de solenoide.
É correto APENAS o que se afirma em
Provas
Um fio condutor retilíneo, de 50 cm de comprimento, desloca-se perpendicularmente às linhas de força de um campo magnético uniforme de intensidade 2,0 T, com velocidade constante de 72 km/h. Nestas condições, a tensão induzida entre as extremidades do condutor, em volts, é de
Provas
Uma bateria de automóvel tem força eletromotriz de 12 V e resistência interna de 2,0 Ω. Quando ela está operando com rendimento de 80%, a intensidade da corrente elétrica que a percorre, em ampères, vale
Provas
- EletromagnetismoElétricaAssociação de Resistores
- EletromagnetismoElétricaCircuitos Elétricos Especiais: Leis de Kirchhoff e Ponte de Wheatstone
Um trecho de circuito elétrico é constituído por três resistores, como mostra o esquema.

Se o resistor de 9,0 Ω é percorrido por corrente elétrica de intensidade 9,0 A, o resistor de 3,0 Ω é percorrido por corrente de intensidade, em ampères, de
Provas
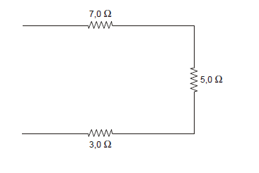
Um trecho de circuito elétrico é constituído por três resistores associados como mostra o esquema.

É correto afirmar que
Provas
Caderno Container