Foram encontradas 50 questões.
Em geral, algumas ações são executadas de forma intrínseca pelo hardware dos microprocessadores, sendo que estas ações já vem pré-programadas na construção do mesmo. Estas ações estão relacionadas a seguir, exceto pela alternativa.
Provas
Questão presente nas seguintes provas
Uma demonstração prática do funcionamento de um circuito elétrico, vale, muitas vezes mais do que horas de fala e leitura no entendimento de algum princípio/fenômeno físico. Uma montagem com ______________ demonstra o fenômeno da eletrostática, sendo sua construção pouco complexa. Assinale a alternativa que completa corretamente a lacuna.
Provas
Questão presente nas seguintes provas
O valor de 100.000 pico Farad pode ser escrito por _________ . Assinale a alternativa que completa corretamente a lacuna.
Provas
Questão presente nas seguintes provas
Responda a esta questão com base no tema " Geradores e motores de corrente continua" e no desenho abaixo. Um motor em derivação consome seis mil watts de uma linha 240 V. Sabendo que a resistência do campo é de 100 ohms, o valor de ia é de ______________ . Assinale a alternativa que completa corretamente a lacuna.

Provas
Questão presente nas seguintes provas
Considere a disciplina que estuda Eletrônica de Potência ( Fontes Chaveadas) para responder a esta questão. Das afirmações a seguir:
I. O conversor conhecido por "push- pull" é, em última análise um arranjo de dois conversores tipo " forward", trabalhando em conta- fase.
II. No O conversor Cuk a transferência de energia da fonte para a carga é feita por meio de um indutor acoplado e um inversor de fase.
Estão corretas as afirmativas:
Provas
Questão presente nas seguintes provas
Você foi solicitado a responder uma questão sobre linearidade. Complete o texto a seguir com a resposta correta.
Um sistema _____________________________ .
Provas
Questão presente nas seguintes provas
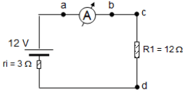
Considere o circuito abaixo para responder a questão.

Circuito de alimentação de alarme ( Amperímetro ideal)
Assinale a alternativa correta. Em uma inspeção de rotina o técnico averiguava o painel de comando de um sistema de alarme que não funcionava de acordo com o esperado. Um de seus circuitos era o apresentado na figura acima. Lendo o diagrama o técnico efetuou alguns cálculos e chegou a seguinte conclusão.
Provas
Questão presente nas seguintes provas
Em uma comunicação serial padrão RS232C, com um conector DB-9, o pino 8 indica o sinal ________________ . Assinale a alternativa que completa corretamente a lacuna.
Provas
Questão presente nas seguintes provas
Responda a esta esta questão com base no tema "Geradores e motores de corrente contínua". Um gerador possui uma força eletromotriz de 500 volts, tem dois mil (condutores de armadura) e um fluxo por pólo de 1.300.000 linhas. Sua velocidade é de 1200 rpm e a armadura tem quatro percursos. Com base nestes dados, o número de pólos deste equipamento é de:
Provas
Questão presente nas seguintes provas
O valor da indutância que deve ser ligada em série ressonância na frequência de 500 KHz, deve ser de, aproximadamente:
Provas
Questão presente nas seguintes provas
Cadernos
Caderno Container