Foram encontradas 50 questões.
A figura a seguir apresenta as escalas principal e móvel de um paquímetro.

A sensibilidade desse paquímetro é de:
Provas
Os carregamentos concentrados ou distribuídos em uma barra podem ser descritos por meio de funções de singularidade, que seguem algumas regras de integração.

A figura acima diz respeito a um carregamento
Provas
Provas
Relacione os elementos que fazem parte de um microcontrolador às suas respectivas características.
( ) PWRTEN (system clock switch bit).
( ) BROW-OUT detector
( ) BOREN
1. Circuito para resetar o Microcontrolador, no caso de ocorrência de uma queda de tensão.
2. Bit responsável por habilitar ou desabilitar o Brown-out.
3. Temporizador de Power-Up que faz o microcontrolador aguardar um tempo assim que o chip é energizado.
Assinale a opção que indica a relação correta, de cima para baixo.
Provas
A rede que coleta e distribui dados de sensores e atuadores, comunicando dados entre os dispositivos de campo e controladores programáveis, é denominada
Provas
Considere o sistema a seguir.

Pode-se dizer que esse sistema
Provas
A figura a seguir apresenta um diagrama LADDER.

A respeito desse diagrama, considere as afirmativas a seguir.
I. Se a entrada X1 não estiver acionada, a saída Y1 também não estará acionada.
II. A saída Y2 não estará acionada se a entrada X3 estiver acionada.
III. Para que a saída Y2 esteja acionada, é necessário que as entradas X1 e X2 estejam acionadas.
Está correto o que se afirma em:
Provas
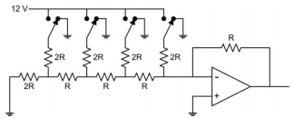
No conversor D/A da figura a seguir,

os módulos em Volts da resolução e da saída de fundo de escala são, respectivamente,
Provas
No sistema representado na figura a seguir, uma fonte de tensão VI(t) é ligada aos terminais de entrada de um conversor, que por sua vez, tem ligada entre seus terminais de saída uma carga alimentada por uma tensão V0(t).

Sabendo-se que VI(t) = 220sen(377t) V e que V0(t) = 24 V, o conversor empregado no sistema é um
Provas
Considere que a tabela verdade a seguir seja de um sistema lógico.

A sua expressão minimizada é:
Provas
Caderno Container