Foram encontradas 50 questões.
Provas
- EletrotécnicaCircuitos Elétricos em Eletricidade
- EletrotécnicaCircuitos de Corrente Contínua e de Corrente Alternada
Um circuito RC série é alimentado por uma fonte CA de valor de pico igual a U.
O valor eficaz da corrente elétrica no circuito para uma frequência f é
Provas
- EletrotécnicaCircuitos Elétricos em Eletricidade
- EletrotécnicaCircuitos de Corrente Contínua e de Corrente Alternada
Assinale a opção que indica o valor da corrente elétrica no circuito, no instante t igual a uma vez a constante de tempo do circuito.
Provas
Provas
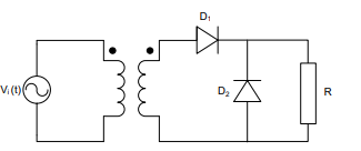
A figura a seguir apresenta um circuito empregado para alimentar uma carga resistiva. O transformador empregado no circuito é ideal e seus lados de alta e baixa tensão possuem, respectivamente, 1000 e 200 espiras.

Sabendo que VI(t) = 100 sen (377t) V (valores eficazes) e que R = 10 Ω, a potência média dissipada no resistor é, aproximadamente, de
Provas
Um transformador ideal encontra-se com seus terminais conectados, conforme apresentado na figura a seguir, alimentando uma carga puramente resistiva de 7,6 kW.

Sabendo-se que a tensão V1 é uma tensão senoidal de amplitude 20 V, a amplitude da corrente I, em A, é:
Provas
A respeito da partida de motores trifásicos por meio de chave estrela-triângulo, analise as afirmativas a seguir.
I. O motor deve ter disponíveis os seis terminais dos enrolamentos.
II. A tensão nos enrolamentos do motor com a chave na configuração em estrela é igual a 1/3 da tensão na configuração delta.
III. A configuração em delta corresponde à máxima potência do motor em regime permanente.
Está correto o que se afirma em
Provas
Um capacitor de 100 μF ligado em série com um resistor de 100 kΩ é alimentado por uma fonte de tensão contínua de 10 V. A carga desse capacitor e o tempo necessário para que se carregue são, respectivamente, iguais a
Provas
Um motor de indução, ligado em Y, possui uma resistência de estator igual a 0,40 Ω e uma resistência de rotor igual a 0,20 Ω.
Este motor é submetido a um ensaio em vazio cujos resultados são apresentados a seguir:
– tensão terminal: VT = 220 V;
– frequência da rede: f = 60 Hz;
– corrente de linha: Ilinha = 10 A;
– potência de entrada: Pentrada = 1200 W.
Diante do exposto, o valor das perdas do núcleo e rotacionais do motor, em W, é de
Provas
Seja (x0
, y0
) um ponto no sistema de coordenadas cartesianas xy.
A matriz
aplicada a esse ponto representa uma
transformação de
Provas
Caderno Container