Foram encontradas 60 questões.
Uma máquina CC de excitação independente, operando como motor de 35 kW e 250 V, trabalha com velocidade constante de 2.800 rpm e uma corrente de campo constante; a tensão de armadura em circuito aberto é 250 V, e a resistência de armadura é 0,05 Ω. Considere a tensão de terminal de 280 V para calcular a potência de terminal (Pt) e o conjugado eletromagnético (T). Obs.: π = 3,1.
Provas
A grande variedade de características de operação dos geradores CC pode ser obtida por meio da escolha do método de excitação dos enrolamentos de campo. Sabendo disso, assinale a alternativa que apresenta respectivamente o nome de cada método de excitação da figura a seguir.

Provas
Um transformador de pequeno porte, de 20 VA, tensão primária 120 V, tem dois enrolamentos secundários de 9 V e 6 V, com impedâncias de 0,3 Ω e 0,2 Ω, respectivamente. Calcule o que se pede nos itens I, II e III e assinale a alternativa que apresenta os resultados na sequência correta.
I. A corrente do secundário nominal quando os secundários de baixa tensão são ligados em série, com as tensões se somando.
II. A corrente circulante quando os enrolamentos são ligados em paralelo.
III. O rendimento quando os secundários de baixa tensão são ligados em série, considerando fator de potência 1 e perdas de 2 W.
Provas
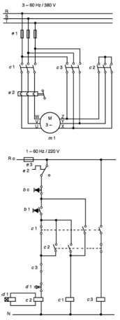
Em relação ao esquema elétrico de partida de motor apresentado, analise as assertivas e assinale a alternativa que aponta a(s) correta(s).

I. Para inverter o sentido de rotação, é necessário o uso do dispositivo de retardamento d1.
II. O contator C3 é responsável pelo fechamento em triângulo do motor.
III. Os diagramas de força e de controle são de um acionamento estrela-triângulo de motor trifásico de indução.
IV. O botão b0 ativa o acionamento do motor.
Provas
Em uma subestação, um operador constatou que um transformador de potencial (TP) com relação de transformação 3000/100 não estava apresentando os valores devidos de transformação. Durante a análise, verificou-se que a tensão no secundário do TP era 92 V e que o valor real da tensão era 2500 V. Qual é o erro aproximado de relação em valores percentuais do TP?
Provas
Em motores CC, o controle por corrente de campo é usado frequentemente para o controle da velocidade. Considerando um motor com enrolamento de campo de excitação independente, operando a vazio com tensões nominais de campo e armadura, qual é o efeito da velocidade caso a corrente de campo seja interrompida?
Provas
Assinale a alternativa que apresenta um material isolante e de classificação compósita.
Provas
A respeito da isolação dos fios e cabos condutores, analise as assertivas e assinale a alternativa que aponta a(s) correta(s).
I. A temperatura de operação normal do condutor, com isolação de PVC, em regime permanente, é de 70 °C.
II. A temperatura máxima, em regime de sobrecarga do condutor, com isolação de HEPR, é de 130 °C.
III. A temperatura máxima do condutor, com isolação de XLPE, em uma situação de sobrecarga, é de 250 °C.
Provas
Considerando a função de rede apresentada a seguir, é correto afirmar que C pode ser descrita pela expressão

Provas
Em um sítio, foi empregada uma automação no controle de temperatura da pequena granja do proprietário. A respeito dessas condições, analise as assertivas e assinale a alternativa que aponta a(s) correta(s).
I. Para aumentar a estabilidade do sistema, deve-se utilizar um controle em malha fechada.
II. O sistema deve conter sensor de temperatura.
III. Em relação aos sistemas em malha aberta, o custo de sistemas com retroalimentação são sistemas simples de baixo custo.
Provas
Caderno Container