Foram encontradas 60 questões.
Sobre as quatro funções principais de um computador, é INCORRETO afirmar que
Provas
As vantagens listadas a seguir dizem respeito à substituição de qual componente de um computador?
• Velocidade de taxa de transferência maior.
• Redução de ruído.
• Uso de espaço reduzido.
• Menor consumo de energia elétrica.
Provas
Os conversores A/D são utilizados para converter os sinais analógicos para digitais no âmbito do sistema de comunicação. Na primeira etapa, é necessário converter uma informação analógica para o formato digital. Essa fase é chamada de
Provas
A multiplexação é o processo de combinação de diversos sinais de mensagem para que sejam transmitidos simultaneamente pelo mesmo canal. Sabendo disso, quais são os quatro métodos de multiplexação normalmente utilizados?
Provas
A seguir é apresentado um conversor D/A binário ponderado. A tensão produzida na saída é igual à soma ponderada das entradas, ou seja, o peso é o mesmo que o ganho do canal; as tensões de entradas são digitais de valores 0 ou 1. Calcule os valores de tensão para as entradas 0000, 0101, 1010 e 1110 e assinale a alternativa que apresenta a sequência correta.
Considere os seguintes ganhos: Av3 = -10; Av2 = -5; Av1 = -2,5; Av0 = -1,25.

Provas
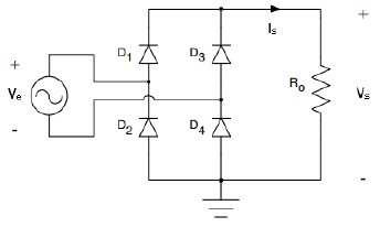
Na figura apresentada, é demonstrado um circuito retificador. Calcule o que se pede a seguir e assinale a alternativa correta.
• Tensão de pico Vs(pk), tensão média Vs(med) e tensão eficaz na carga Vs(ef). • Corrente de pico Is(pk), corrente média Is(med) e corrente eficaz na carga Is(ef). • Potência na carga Po.
Dados:
• fonte de alimentação (eficaz): 15 V; • diodos ideais; • resistência da carga: 10 Ω; • considerar √2 = 1,4 e π = 3,1.

Provas
Calcule a indutância da bobina da figura a seguir. Obs.: despreze a dispersão de fluxo.
Dados:
Ac = 2,0 m²;
lc = 10 cm;
g = 0,5 mm;
N = 500 voltas;
μ = 800μ0;
π = 3,1.

Provas
Relacione corretamente as grandezas elétricas com as respectivas grandezas magnéticas e assinale a alternativa com a sequência correta.
A. Relutância.
B. Permeância.
C. Fluxo magnético.
D. Força magneto-motriz.
( ) Corrente elétrica.
( ) Tensão elétrica.
( ) Resistência.
( ) Condutância.
Provas
Na figura a seguir, considere R1 = 2 Ω, R2 = 4 Ω, R3 = 1 Ω, I1 = 2 A, I2 = 7 A e V3 = 54 V. Modifique a malha Ia para o sentido horário que passe através de R1, R2, R3 e V3, mantendo o sentido das malhas Ib e Ic. Utilize a análise de malha e encontre a potência sobre o R3.

Provas
Calcule ix e vx aplicando as leis de Kirchhoff das tensões (LKT) e a lei de Kirchoff das correntes (LKC).

Provas
Caderno Container