Foram encontradas 40 questões.
Nos projetos de proteção contra incêndio nas áreas de arquitetura, engenharia, construção e áreas correlatas, o dispositivo hidráulico manual, destinado a interromper o fluxo de água das instalações hidráulicas de combate a incêndio em edificações, denomina-se
Provas
Nos projetos de proteção contra incêndio nas áreas de arquitetura, engenharia, construção e áreas correlatas, o símbolo utilizado e, especificado em norma técnica para o dispositivo de alarme de incêndio, é
Provas
Considerando os requisitos para iluminação de vias públicas, propiciando segurança aos tráfegos de pedestres e de veículos, entende-se por avanço a
Provas
Para a execução de obras de esgoto sanitário e drenagem de águas pluviais utilizando tubos e aduelas de concreto, pode-se afirmar, sobre escoramento das escavações, que
I. é obrigatório o escoramento de valas com profundidade superior a 1,25 m.
II. as damas somente podem ser utilizadas em terrenos firmes e intercaladas de 3 m a 5 m e podem ter, no máximo, 1,00 m de comprimento.
III. a ficha de escoramento deve ser de, pelo menos, 7/10 da largura da vala, com um mínimo de 0,50 m.
É correto o que se afirma em
Provas
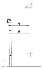
Analise a figura abaixo sobre os afastamentos horizontais mínimos apresentados em norma para condutores das redes primária e secundária de distribuição aérea de energia elétrica com cabos cobertos fixados em espaçadores para tensões até 36,2 kV e as paredes da edificação para responder à questão.

Afastamento horizontal entre os condutores e as paredes de edificações.
Dado: afastamentos mínimos relativos às partes energizadas e não ao ponto de fixação.
Para a rede de distribuição aérea de energia elétrica com tensão de 36,2 kV, os afastamentos horizontais mínimos (A) e (B), em milímetros, entre os condutores das redes primária e secundária, respectivamente, e as paredes da edificação são,
Provas
Sobre os procedimentos executivos das fundações rasas (direta ou superficial), analise as proposições abaixo.
I. Para a escavação das cavas em solo, caso se utilizem equipamentos mecânicos, a profundidade de escavação com esses equipamentos deve ser paralisada a no mínimo 30 cm da cota de assentamento prevista, sendo a parcela final removida manualmente.
II. Caso haja necessidade de aprofundar a cava da sapata, a diferença entre cota de assentamento prevista e cota “de obra” pode ser eliminada com preenchimento de concreto não estrutural até a cota prevista.
III. O fundo da cava deve ser regularizado com lastro de concreto estrutural, em espessura máxima de 3,5 cm. A superfície final deve resultar plana e horizontal.
É correto o que se afirma em
Provas
Disciplina: Desenho Técnico e Industrial
Banca: IMAIS
Orgão: SETEC Campinas
Durante a realização de um desenho utilizando o programa AutoCAD®, foi necessário a construção de várias linhas com cantos arredondados. O comando que constrói POLYLINES com cantos arredondados, é denominado
Provas
Considerando os requisitos para execução e controle de obras de alvenaria estrutural, sobre as especificações necessárias do graute, são considerados estruturais e aplicáveis à alvenaria grautes com resistência a partir de MPa. A consistência de graute deve ser adequada para preencher todos os vazios sem que haja segregação. Caso seja utilizada cal, o teor não pode ser superior a % em volume em relação ao cimento. Os agregados devem ter dimensão inferior a da menor dimensão dos vazados a serem preenchidos.
Assinale a alternativa que preenche correta e respectivamente as lacunas.
Provas
Sobre a avaliação de custos unitários de construção para incorporação imobiliária e outras disposições para condomínios edifícios, se para uma determinada área real coberta de 150 metros quadrados, estima-se que, em virtude de sensível melhora no padrão de acabamento, o custo unitário efetivo é cerca de 50% maior que o custo unitário básico adotado para as áreas cobertas-padrão do edifício considerado, a área equivalente (Se), em metros quadrados, corresponde a
Provas
São dispositivos físicos de armazenamento de dados:
I. Pasta de Rede.
II. DVD-RW.
III. Pen-drive.
IV. E-mail.
V. Disco Rígido.
É correto o que se afirma, apenas, em
Provas
Caderno Container