Foram encontradas 50 questões.
A estrutura da capacidade instalada do sistema elétrico brasileiro conta com diversas fontes de produção de energia, sendo a hídrica a mais importante de todas. De acordo com os dados de 2007 do Operador Nacional do Sistema, as usinas hidrelétricas acima de 30 MW representavam 76,36 % da capacidade instalada. Com relação à geração de energia elétrica no sistema brasileiro, assinale a afirmação correta.
Provas
Entre as propostas para a renegociação do contrato da venda da energia excedente do Paraguai ao Brasil, foi considerada a possibilidade de o Paraguai participar, no Brasil, do mercado livre de energia brasileiro (mercado spot). De acordo com essa proposta, o modelo de comercialização de energia
Provas
Com o advento das Leis no 10.847 e no 10.848 de 2004, deuse início à implantação do novo modelo institucional do setor elétrico. O Mercado Atacadista de Energia (MAE) foi extinto e novos agentes institucionais foram criados, além das atribuições de outros agentes existentes terem sido alteradas. Com relação à comercialização de energia elétrica no atual modelo institucional, o órgão sucessor do MAE, que tem por finalidade viabilizar a comercialização de energia elétrica no Sistema Interligado Nacional, é a(o)
Provas
No Brasil, devido ao processo de esgotamento dos melhores recursos hídricos para a geração de eletricidade e também pela construção do gasoduto Brasil-Bolívia, o gás natural tornou-se importante para a expansão da geração termelétrica. A esse respeito, analise as afirmativas a seguir.
I – As usinas termelétricas tiveram uma redução em seus custos de implantação, e seus custos de transmissão são inferiores aos das hidrelétricas.
II – O crescimento da malha de gasodutos passou a ser o principal fator de incremento da geração termelétrica.
III – As termelétricas deverão ter uma participação cada vez maior na matriz energética brasileira.
De acordo com essa nova condição, que pauta o setor elétrico brasileiro, está(ão) correta(s) APENAS a(s) afirmativa(s)
Provas
Um mol de uma amostra de gás ideal é mantida a uma temperatura constante de 27 oC, durante o processo de expansão de um volume inicial de 5L para um volume final de 10L. Qual o trabalho, em joule, realizado pelo gás?
(Dados Técnicos:
• Constante universal dos gases = 8,3 J/(mol•K)
• Considere: ln(2) = 0,7)
Provas
As centrais termelétricas apresentam seus processos de funcionamento com base na conversão de energia térmica em energia mecânica. Diversos tipos de combustíveis podem ser utilizados na conversão, tais como:
I – óleo;
II – gás;
III – combustível nuclear;
IV – biomassa;
V – carvão. Considere as seguintes descrições sobre os combustíveis para centrais termelétricas:
(P) combustível caracterizado por uma mistura saturada de hidrocarbonetos, com predomínio de metano, sendo empregado em usinas termelétricas que operam em regime aberto;
(Q) combustível rico em carbono, contendo poucas quantidades de oxigênio, enxofre e nitrogênio e que, depois do petróleo, é a segunda fonte de energia primária mais utilizada no mundo;
(R) combustível cujo emprego requer um processo de conversão num produto intermediário utilizado na máquina motriz que produz energia mecânica e aciona o gerador elétrico, sendo considerado o primeiro vetor energético empregado pela humanidade, com aplicação relativamente restrita.
A relação correta entre os tipos de combustíveis e as descrições fornecidas é:
Provas

(Dados: \( \dot{E_k} \, = \, 1\angle0º \) é a tensão na barra “k”.
\( \dot{E_m} \, = \, 1\angle20º \) é a tensão na barra “m”.)
Na figura acima, é representada uma linha de transmissão curta que conecta as barras “k” e “m”. Com relação aos fluxos de potência Pkm e Qkm, é correto afirmar que
Provas
Com relação ao transformador de potência, empregado como abaixador e alimentado pelo primário, indique a afirmação correta.
Provas

Em sistemas de aterramento, é muito importante conhecer a resistividade do solo. Um dos métodos utilizados para se estimar a resistividade do solo é o Método de Wenner. A figura acima mostra a disposição dos eletrodos de um terrômetro encravados em um solo homogêneo, onde os eletrodos de potenciais são designados por P1 e P2 e os de corrente, por C1 e C2. Para esta configuração, o aparelho indicou uma resistência de 4 \( \Omega \).
De acordo com as informações apresentadas, a resistividade do solo, em .m, é aproximadamente igual a
Provas

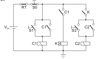
A figura acima apresenta o circuito lógico para o comando de duas máquinas trifásicas, acionadas por intermédio dos contatores C1 e C2. As chaves S0, S1 e S2 são do tipo sem retenção, e K representa um relé com retardo na ligação, programado para 5 minutos. Considere que acionar uma chave significa apertá-la e soltá-la em seguida. Com relação ao funcionamento do sistema em condições normais e supondo os contatores C1 e C2 inicialmente desenergizados, analise as seguintes afirmativas:
I – se a chave S1 for acionada, então a máquina comandada por C1 entrará em funcionamento e, após 5 minutos, a máquina comandada por C2 também entrará em funcionamento;
II – se a chave S2 for acionada, a máquina comandada por C2 entrará imediatamente em funcionamento, independente do estado do contator C1;
III – se as chaves S1 e S2 forem acionadas nesta ordem, porém defasadas de 2 minutos, então somente a máquina comandada por C1 entrará em funcionamento.
Está(ão) correta(s) APENAS a(s) afirmativa(s)
Provas
Caderno Container