Foram encontradas 50 questões.

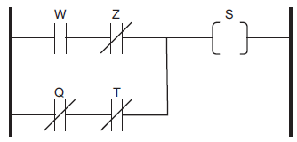
Na figura acima, é mostrada uma parte de um programa de um controlador lógico programável (CLP), em linguagem LADDER.
A expressão booleana correspondente à saída S é
Provas
A Norma Regulamentadora 10 (NR 10) estabelece os requisitos e as condições mínimas necessários à manutenção da segurança e da saúde dos trabalhadores que, direta ou indiretamente, interagem com serviços de eletricidade. Para isso são implementadas, entre outras, medidas de controle. Uma das medidas de controle adotadas é a
Provas

A figura acima apresenta um gerador síncrono, conectado a uma barra infinita através de duas linhas de transmissão (LT1 e LT2) idênticas.
Considere as quatro hipóteses de operação do sistema, apresentadas a seguir.
I – Situação com as duas linhas energizadas.
II – Situação durante um curto-circuito trifásico na barra em que o gerador está conectado.
III – Situação durante um curto-circuito trifásico no meio da LT2.
IV – Situação com apenas a LT1 energizada.
No contexto do problema da estabilidade angular de sistemas elétricos de potência, é correto afirmar que o(a)
Provas
O aproveitamento de fontes alternativas de energia (FAE) tem sido intensificado ao longo dos anos, em virtude da preocupação com aspectos ambientais, do aprimoramento tecnológico e do aumento da eficiência dos sistemas. Para a integração das FAE com o mercado de energia NÃO constitui uma barreira o(a)
Provas
Com relação aos sistemas fotovoltaicos, analise as afirmativas a seguir.
I – Podem ser híbridos, isolados ou conectados à rede, sendo que, no caso de sistemas isolados, é necessário haver algum tipo de armazenamento.
II – O emprego de inversores para conexão na rede elétrica é opcional, dependendo do arranjo dos painéis fotovoltaicos utilizados.
III – A tensão nos módulos fotovoltaicos varia linearmente com a intensidade luminosa incidente.
IV – O número de células fotovoltaicas e o seu arranjo dependem da tensão de utilização e da potência das cargas instaladas.
V – O desempenho dos módulos fotovoltaicos tem relação direta com a temperatura das células.
Estão corretas APENAS as afirmativas
Provas
A busca da eficiência energética tem sido uma das principais metas do setor energético. As ações decorrentes desse esforço exigem medidas de conservação e racionalização no uso da energia. Uma das ações que caracteriza a Conservação de Energia é
Provas
Geração Distribuída é uma expressão utilizada para definir unidades geradoras de pequeno e médio portes, conectadas ao sistema elétrico de distribuição do comprador. A geração distribuída é uma nova visão para atender ao aumento da demanda energética e apresenta como vantagem o(a)
Provas
Considere as afirmativas a seguir sobre centrais termelétricas.
I – No Ciclo Ideal de Brayton, os processos que ocorrem na câmara de combustão e no recuperador de calor são isentrópicos.
II – O rendimento das centrais de ciclo combinado é maior do que o de uma turbina a gás operando isoladamente.
III – O intercooling e a regeneração de calor são formas de melhorar a eficiência do Ciclo de Brayton.
Está(ão) correta(s) a(s) afirmativa(s)
Provas
A tensão de fornecimento de energia elétrica de uma fazenda cujas atividades são voltadas para a agropecuária é de 2,1 kV. A máxima demanda dessa fazenda é de 250 kW. De acordo com a estrutura tarifária brasileira, a que subclasse de consumo esta instalação pertence?
Provas
Considere as afirmativas sobre a comercialização de energia elétrica no Brasil.
I – A ANEEL é o órgão responsável por definir os procedimentos, a fiscalização e a regulação da comercialização de energia elétrica.
II – Os agentes de distribuição do SIN devem adquirir energia elétrica somente através de leilões realizados no Ambiente de Contratação Livre.
III – Os agentes vendedores devem apresentar lastro para a venda de energia para garantir no mínimo 90% de seus contratos, através de garantia física de empreendimentos de geração próprios ou de terceiros.
É(São) correta(s) a(s) afirmativa(s)
Provas
Caderno Container