Foram encontradas 1.310 questões.

Considerando que, no circuito precedente, todos os elementos sejam ideais, o nó b seja o nó de referência, com tensão igual a zero, e VF e R sejam constantes, julgue os itens a seguir.
Para se calcular a resistência de Thévenin vista a partir dos nós a e b, é necessário substituir a fonte VF por um curto-circuito.
Provas

Considerando que, no circuito precedente, todos os elementos sejam ideais, o nó b seja o nó de referência, com tensão igual a zero, e VF e R sejam constantes, julgue os itens a seguir.
Considerando-se a resistência equivalente vista a partir dos nós 1 e b como carga, a tensão de Thévenin vista a partir desses nós será igual a VF/2 .
Provas

Considerando que, no circuito precedente, todos os elementos sejam ideais, o nó b seja o nó de referência, com tensão igual a zero, e VF e R sejam constantes, julgue o item a seguir.
A corrente que passa entre os nós 2 e 3 é igual a 1/4 da corrente que entra no nó a.
Provas
No seguinte circuito, todos os elementos são ideais,os valores das fontes de tensão e de correntes são eficazes, α e β são constantes, e I0ejθ é uma fonte senoidal com frequência igual a ω.

A partir do circuito apresentado e das informações a ele relacionadas, julgue o item a seguir.
A expressão V0 = R1I0ejθ − R1I1 está correta para o circuito em questão.
Provas
No seguinte circuito, todos os elementos são ideais,os valores das fontes de tensão e de correntes são eficazes, α e β são constantes, e I0ejθ é uma fonte senoidal com frequência igual a ω.

A partir do circuito apresentado e das informações a ele relacionadas, julgue o item a seguir.
Se o fasor da corrente I1 for |I1| ejθ1, então V1 =βR2 |I1| ejθ1.
Provas
No seguinte circuito, todos os elementos são ideais,os valores das fontes de tensão e de correntes são eficazes, α e β são constantes, e I0ejθ é uma fonte senoidal com frequência igual a ω.

A partir do circuito apresentado e das informações a ele relacionadas, julgue o item a seguir.
A tensão V0 e a corrente que passa através do resistor R1 têm diferença de fase nula.
Provas
No seguinte circuito, todos os elementos são ideais,os valores das fontes de tensão e de correntes são eficazes, α e β são constantes, e I0ejθ é uma fonte senoidal com frequência igual a ω.

A partir do circuito apresentado e das informações a ele relacionadas, julgue o item a seguir.
A potência complexa fornecida pela fonte βI1 é igual a
.
Provas
No seguinte circuito, todos os elementos são ideais,os valores das fontes de tensão e de correntes são eficazes, α e β são constantes, e I0ejθ é uma fonte senoidal com frequência igual a ω.

A partir do circuito apresentado e das informações a ele relacionadas, julgue o item a seguir.
Se ω = 0, então a tensão V0 será igual a V1/α .
Provas

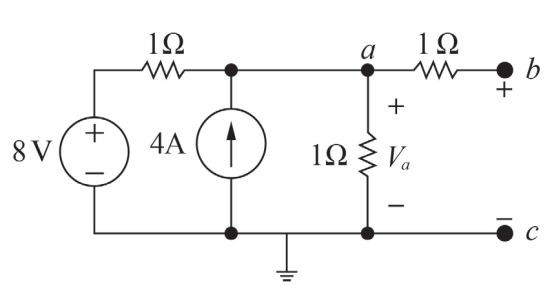
Considerando que, no circuito precedente, todos os elementos sejam ideais e c seja o nó de referência, com tensão igual a zero, julgue o item a seguir.
Se efetuado um curto-circuito entre os terminais b e c, a corrente entre esses terminais poderá ser calculada pela divisão da tensão de Thévenin pela resistência de Thévenin.
Provas

Considerando que, no circuito precedente, todos os elementos sejam ideais e c seja o nó de referência, com tensão igual a zero, julgue o item a seguir.
Para se determinar a resistência de Thévenin vista a partir dos terminais b-c, basta colocar as fontes independentes em curto-circuito e calcular a associação em paralelo das três resistências de 1 Ω.
Provas
Caderno Container