Foram encontradas 150 questões.
luz das normas técnicas brasileiras, julgue os seguintes itens, relativos à figura acima, que mostra os componentes de um aterramento elétrico.
Se a instalação elétrica à qual se refere o aterramento mostrado na figura pertencer a um prédio que possua sistema de proteção contra descargas atmosféricas (SPDA), é correto concluir que o aterramento possui o defeito de não se conectar aos eletrodos de aterramento do SPDA.
Provas
luz das normas técnicas brasileiras, julgue os seguintes itens, relativos à figura acima, que mostra os componentes de um aterramento elétrico.
O aterramento mostrado possui componentes que não são obrigatórios, como, por exemplo, as ligações eqüipotenciais conectadas à barra X.
Provas

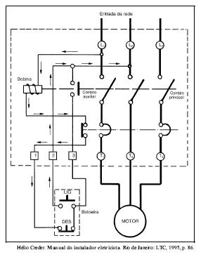
Com relação à figura acima, que mostra o esquema do acionamento de um motor de indução trifásico, julgue os itens subseqüentes.
Após se pressionar o botão "LIG", o "Contato auxiliar" e o "Contato principal" fecham-se, possibilitando a alimentação da "Bobina" e do motor.
Provas

Com relação à figura acima, que mostra o esquema do acionamento de um motor de indução trifásico, julgue os itens subseqüentes.
As setas indicadas na figura mostram o caminho da corrente elétrica pelo circuito de controle do acionamento antes de se pressionar o botão "LIG".
Provas
Uma carga trifásica equilibrada é conectada a uma rede de energia elétrica, também equilibrada, de determinada concessionária. A carga absorve potência aparente de 100 kVA, com fator de potência 0,8 indutivo, e é submetida a uma tensão de linha igual a 200 V. Julgue os itens que se seguem, acerca da operação dessa instalação.
Considere que a carga seja ligada em estrela, a rede da concessionária tenha quatro condutores (três fases e um neutro) e o condutor neutro seja conectado ao centro estrela da carga. Nessa situação, a tensão fase-neutro na carga será inferior a 200 V, mas a potência ativa em cada fase da mesma carga será inferior a 25 kW, porque circulará corrente pelo neutro da instalação.
Provas
Uma carga trifásica equilibrada é conectada a uma rede de energia elétrica, também equilibrada, de determinada concessionária. A carga absorve potência aparente de 100 kVA, com fator de potência 0,8 indutivo, e é submetida a uma tensão de linha igual a 200 V. Julgue os itens que se seguem, acerca da operação dessa instalação.
A carga gera 60 kVar de potência reativa para a rede da concessionária.
Provas
Uma carga trifásica equilibrada é conectada a uma rede de energia elétrica, também equilibrada, de determinada concessionária. A carga absorve potência aparente de 100 kVA, com fator de potência 0,8 indutivo, e é submetida a uma tensão de linha igual a 200 V. Julgue os itens que se seguem, acerca da operação dessa instalação.
A rede da concessionária fornece 80 kW para a carga.
Provas

A figura acima mostra um circuito alimentado por duas fontes de corrente contínua ideais. Considerando que, para a medição de corrente e de tensão, sejam inseridos dois medidores ideais em determinado trecho desse circuito, julgue os itens subseqüentes.
A corrente indicada pelo amperímetro é inferior a 3,5 A.
Provas

A figura acima mostra um circuito alimentado por duas fontes de corrente contínua ideais. Considerando que, para a medição de corrente e de tensão, sejam inseridos dois medidores ideais em determinado trecho desse circuito, julgue os itens subseqüentes.
As correntes fornecidas ao circuito por cada uma das fontes são iguais.
Provas

A figura acima mostra um circuito alimentado por duas fontes de corrente contínua ideais. Considerando que, para a medição de corrente e de tensão, sejam inseridos dois medidores ideais em determinado trecho desse circuito, julgue os itens subseqüentes.
A tensão indicada pelo voltímetro é igual a 9 V.
Provas
Caderno Container