Foram encontradas 120 questões.
Acerca do tratamento de resíduos da construção civil, julgue o próximo item.
Resíduos da construção civil poderão ser dispostos, provisoriamente, em aterros de resíduos sólidos urbanos ou em áreas de bota-fora, desde que haja autorização por parte do órgão municipal competente.
Provas
Em relação às sondagens de terrenos e à locação de obras, julgue os seguintes itens.
O uso da trena é dispensável quando se utiliza, na locação de uma edificação, uma estação total, instrumento eletrônico que fornece medidas lineares e angulares com grande exatidão.
Provas
A respeito do controle na execução de obras e serviços de engenharia, bem como da documentação técnica constante de contratos de obras de edificações, julgue os itens a seguir.
O caderno de encargos é um documento, elaborado pelo projetista, que descreve todos os materiais, equipamentos e serviços necessários para a execução da obra.
Provas
Acerca da fiscalização e das medições de obras públicas, julgue os itens que se seguem.
A remuneração de obras contratadas pelo regime de contratação semi-integrada é orientada por preços unitários, cuja medição decorre da execução de quantidades de itens unitários.
Provas
Acerca da fiscalização e das medições de obras públicas, julgue os itens que se seguem.
Para evitar danos ao erário, quando houver controvérsia a respeito das quantidades e(ou) da qualidade da execução de algum serviço ou parte da obra objeto do contrato, o pagamento pela execução dos serviços, inclusive da parcela incontroversa, só poderá ser liberado após o recebimento definitivo da obra.
Provas
Acerca de planejamento e programação de obras, julgue os itens a seguir.
Os encargos sociais são parte integrante do orçamento de uma obra, sendo calculados a partir da consideração de despesas com obrigações trabalhistas, como INSS e FGTS, e despesas referentes à remuneração de tempo não trabalhado, como férias, 13.º salário, licenças e abonos.
Provas
A respeito de instalações prediais e seus respectivos projetos, julgue os próximos itens.
A tubulação de aviso de extravasão é o conjunto de componentes destinados a conduzir, quando superado o nível de transbordamento, parte do excesso de água a um local visível, gerando o alerta da existência de falha no componente destinado ao controle da entrada de água e à manutenção do nível desejado no interior de um reservatório.
Provas
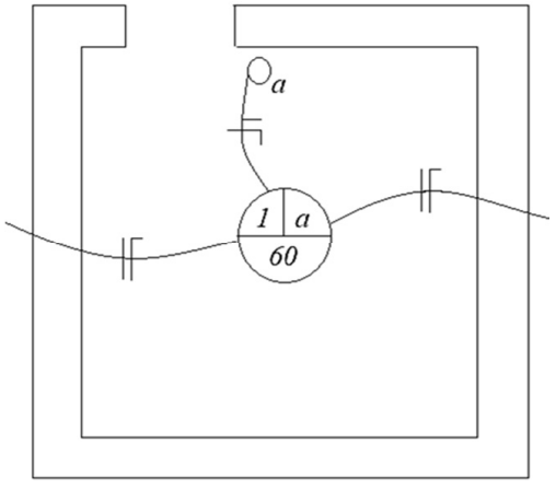
A respeito de instalações prediais e seus respectivos projetos, julgue os próximos itens.
Na figura abaixo, estão representadas de forma correta as instalações elétricas de alimentação e de acionamento de uma luminária.

Provas
A respeito de instalações prediais e seus respectivos projetos, julgue os próximos itens.
A ventilação de um sistema de esgotamento sanitário tem como funções preservar o fecho hídrico, conduzir gases para a atmosfera e aliviar sobrepressões nos elementos constituintes do sistema.
Provas
A respeito de instalações prediais e seus respectivos projetos, julgue os próximos itens.
O sistema de combate a incêndio por chuveiros automáticos (sprinklers) com tubulação molhada pode ser alimentado por reservatório elevado, desde que este seja de uso exclusivo do referido sistema.
Provas
Caderno Container