Foram encontradas 120 questões.
Julgue os itens subsequentes, a respeito de eletromagnetismo.
A resistência elétrica entre as extremidades de um cilindro feito com material resistivo é diretamente proporcional à resistividade do material e à área da seção transversal do cilindro, e inversamente proporcional ao comprimento do cilindro.
Provas

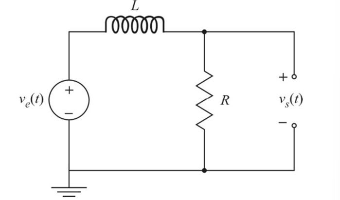
Com relação ao circuito precedente, que utiliza um indutor e um resistor e em que ve(t) é a tensão de entrada e vs(t) é a tensão de saída, julgue os próximos itens.
A expressão \( v_s\left(t\right)=u\left(t\right)e^{-\dfrac{L.t}{R}} \) corresponde à resposta do circuito ao degrau unitário \( u(t). \)
Provas

Com relação ao circuito precedente, que utiliza um indutor e um resistor e em que ve(t) é a tensão de entrada e vs(t) é a tensão de saída, julgue os próximos itens.
O circuito apresentado corresponde a um filtro do tipo passa-baixa de primeira ordem.
Provas
No circuito a seguir, a fonte I F provê uma corrente constante de 100 mA, e a fonte V F , uma tensão constante de 20 V. Além disso, R1 = R2 = R3 = 100 Ω e R4 = 50 Ω.

Em relação a esse circuito, julgue os itens que se seguem.
Considerando-se que o princípio da superposição pode ser utilizado para avaliar separadamente o efeito de uma das fontes, desativando-se a outra, é correto afirmar que o valor da corrente i2 devido apenas ao efeito da fonte de tensão VF é igual a 40 mA.
Provas
No circuito a seguir, a fonte I F provê uma corrente constante de 100 mA, e a fonte V F , uma tensão constante de 20 V. Além disso, R1 = R2 = R3 = 100 Ω e R4 = 50 Ω.

Em relação a esse circuito, julgue os itens que se seguem.
Se o resistor R4 for retirado do circuito, ficando em aberto a conexão entre os nós C e D, a tensão equivalente de Thévenin do circuito à esquerda dos pontos C e D será igual a 30 V.
Provas
No circuito a seguir, a fonte IF provê uma corrente constante de 100 mA, e a fonte VF, uma tensão constante de 20 V. Além disso, R1 = R2 = R3 = 100 \( Ω \) e R4 = 50 \( Ω \).

Em relação a esse circuito, julgue o item que se segue.
Ao se modelar o circuito apresentado pela lei de Kirchoff dos nós, obtém-se a equação a seguir, cuja solução permite encontrar o valor da tensão no nó A (VA).
\( \dfrac{V_A-I_F}{R_1}+\dfrac{V_A-V_F}{R_2}+\dfrac{V_A}{R_3+R_4}=0 \)
Provas
No circuito a seguir, a fonte I F provê uma corrente constante de 100 mA, e a fonte V F , uma tensão constante de 20 V. Além disso, R1 = R2 = R3 = 100 Ω e R4 = 50 Ω.

Em relação a esse circuito, julgue os itens que se seguem.
A corrente \( i_2 \) é igual a 120 mA.
Provas
No circuito a seguir, a fonte I F provê uma corrente constante de 100 mA, e a fonte V F , uma tensão constante de 20 V. Além disso, R1 = R2 = R3 = 100 Ω e R4 = 50 Ω.

Em relação a esse circuito, julgue os itens que se seguem.
Se o resistor R4 for retirado do circuito, ficando em aberto a conexão entre os nós C e D, a resistência equivalente de Thévenin do circuito à esquerda dos pontos C e D será igual a 200 ohms.
Provas
Com relação a elementos de circuitos elétricos, julgue os itens a seguir.
Se for aplicada uma tensão de 5 V entre os terminais de um capacitor ideal de 2 µF, será acumulada, em cada uma das placas do capacitor, uma quantidade de carga, em módulo, igual a 2,5 µC, positiva em uma das placas e negativa na outra.
Provas
Com relação a elementos de circuitos elétricos, julgue os itens a seguir.
Caso seja aplicada uma tensão senoidal com amplitude de 1 V de pico e 1 kHz aos terminais de um indutor ideal de 5 mH, o módulo da impedância entre os terminais do indutor, em regime permanente, será superior a 25 Ω.
Provas
Caderno Container