Magna Concursos

Foram encontradas 120 questões.

1856659 Ano: 2014
Disciplina: Engenharia Elétrica
Banca: CESPE / CEBRASPE
Orgão: SUFRAMA
Com relação à propagação e à transmissão das ondas eletromagnéticas, julgue os itens subsequentes.
A propagação de uma onda eletromagnética em cabo coaxial ocorre no modo Transversal Eletromagnético (TEM), ou seja, não apresenta frequência de corte.
 

Provas

Questão presente nas seguintes provas
1856654 Ano: 2014
Disciplina: Engenharia Elétrica
Banca: CESPE / CEBRASPE
Orgão: SUFRAMA
Com relação à propagação e à transmissão das ondas eletromagnéticas, julgue os itens subsequentes.
Em um guia metálico, o modo de propagação Transversal Elétrico (TE) de uma onda caracteriza-se pelo fato de o campo magnético ser perpendicular à direção de propagação da onda.
 

Provas

Questão presente nas seguintes provas
1856650 Ano: 2014
Disciplina: Engenharia Eletrônica
Banca: CESPE / CEBRASPE
Orgão: SUFRAMA

Enunciado 1856650-1

Com base no circuito elétrico mostrado na figura acima, julgue os itens que se seguem.

O modelo equivalente de Thévenin desse circuito entre os terminais a e b é formado por uma fonte de tensão de 1 V conectada em série com uma resistência inferior a 1 Ω.
 

Provas

Questão presente nas seguintes provas
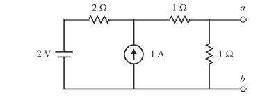
1856649 Ano: 2014
Disciplina: Engenharia Eletrônica
Banca: CESPE / CEBRASPE
Orgão: SUFRAMA

Enunciado 1856649-1

Com base no circuito elétrico mostrado na figura acima, julgue os itens que se seguem.

De acordo com o princípio da superposição, somente a fonte de tensão contribui para o valor da corrente total que flui em caso de curto-circuito entre os terminais a e b.
 

Provas

Questão presente nas seguintes provas
1856648 Ano: 2014
Disciplina: Engenharia Elétrica
Banca: CESPE / CEBRASPE
Orgão: SUFRAMA

Enunciado 1856648-1

A figura acima ilustra características operacionalmente viáveis de conjugado versus rotação do eixo para quatro diferentes tipos de motores identificados por I, II, III e IV. Com base nessas informações, julgue os itens seguintes.

O motor II apresenta característica que mais se assemelha à de funcionamento de um motor CC com campo em derivação (campo shunt).
 

Provas

Questão presente nas seguintes provas
1856647 Ano: 2014
Disciplina: Engenharia Elétrica
Banca: CESPE / CEBRASPE
Orgão: SUFRAMA

Enunciado 1856647-1

A figura acima ilustra características operacionalmente viáveis de conjugado versus rotação do eixo para quatro diferentes tipos de motores identificados por I, II, III e IV. Com base nessas informações, julgue os itens seguintes.

O motor IV apresenta características típicas de motores de indução com rotor bobinado, ao passo que o motor I tem características de motores de indução em gaiola.
 

Provas

Questão presente nas seguintes provas
1856645 Ano: 2014
Disciplina: Engenharia Elétrica
Banca: CESPE / CEBRASPE
Orgão: SUFRAMA
Com relação a projetos de instalações elétricas, julgue os itens que se seguem.

A figura abaixo representa o esquema de aterramento do tipo TN-C-S.

Enunciado 1856645-1

 

Provas

Questão presente nas seguintes provas
1856644 Ano: 2014
Disciplina: Engenharia Elétrica
Banca: CESPE / CEBRASPE
Orgão: SUFRAMA
Um transformador monofásico ideal supre uma carga conectada ao seu secundário. A carga consome 5 kVA com fator de potência indutivo igual a 0,95 e sob tensão de 200 V. Com base nessas informações e considerando que o primário tenha o dobro de espiras do secundário, julgue o item abaixo.
A magnitude da corrente no primário do transformador é igual à metade da magnitude da corrente no secundário, independentemente do fator de potência da carga.
 

Provas

Questão presente nas seguintes provas
1856640 Ano: 2014
Disciplina: Engenharia Elétrica
Banca: CESPE / CEBRASPE
Orgão: SUFRAMA
Com relação à ruptura dielétrica em materiais dielétricos, julgue os próximos itens.
Materiais dielétricos têm propriedades de isolante, mas, sob ruptura dielétrica, funcionam como condutores.
 

Provas

Questão presente nas seguintes provas
1856639 Ano: 2014
Disciplina: Engenharia Elétrica
Banca: CESPE / CEBRASPE
Orgão: SUFRAMA
Com relação à ruptura dielétrica em materiais dielétricos, julgue os próximos itens.
A rigidez dielétrica de um material isolante corresponde ao valor máximo da corrente elétrica capaz de iniciar a ruptura dielétrica nesse material.
 

Provas

Questão presente nas seguintes provas