Foram encontradas 598 questões.
- Transformadores e Máquinas ElétricasMáquinas EstáticasTransformador de Corrente
- Transformadores e Máquinas ElétricasMáquinas EstáticasTransformador de Potência
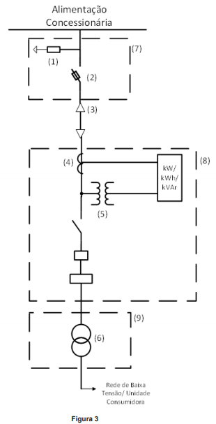
A Figura 3 apresenta parte de um diagrama unifilar de uma instalação elétrica industrial.
Assinale a alternativa que apresenta a sequência numérica que corresponde à descrição
correta dos elementos indicados nesta figura.
( ) Posto de medição e proteção. ( ) Mufla. ( ) Chave fusível. ( ) Para-raios. ( ) Transformador de potencial. ( ) Posto de transformação. ( ) Transformador de corrente. ( ) Ponto de entrega. ( ) Transformador.
( ) Posto de medição e proteção. ( ) Mufla. ( ) Chave fusível. ( ) Para-raios. ( ) Transformador de potencial. ( ) Posto de transformação. ( ) Transformador de corrente. ( ) Ponto de entrega. ( ) Transformador.
Provas
Questão presente nas seguintes provas
A Figura 2 mostra uma chave fusível de isolador de corpo único, utilizada em sistemas
elétricos de distribuição. Assinale a alternativa que descreve corretamente um dos elementos
indicados nessa figura.


Provas
Questão presente nas seguintes provas
Os tipos de aterramento utilizados em instalações elétricas são definidos por norma. Assinale a alternativa que corresponde ao sistema de aterramento apresentado na Figura 1.

Provas
Questão presente nas seguintes provas
É utilizado na proteção primária de transformadores de distribuição e fabricado para
correntes de até 5 A. São considerados elos fusíveis de alto surto, isto é, apresentam um
tempo de atuação lento para altas correntes. A característica de atuação lenta é necessária
para que não operem durante a energização do transformador devido à corrente de surto ou
corrente de inrush. Essas características referem-se ao
Provas
Questão presente nas seguintes provas
Sobre as chaves de partida utilizadas em motores elétricos, assinale a alternativa correta.
Provas
Questão presente nas seguintes provas
- Edificações
- EstruturasEstruturas Metálicas
- Resistência dos Materiais e Análise EstruturalEstruturas de Concreto
- Normas e Legislações
- Canteiro de Obras
- Métodos Construtivos
- Segurança e Higiene do Trabalho
Em um canteiro de obra, o espaço destinado para as armações de aço deve ser escolhido para possibilitar a boa execução dos serviços e proteger a saúde do trabalhador. Assinale a alternativa que NÃO obedece aos requisitos mínimos da Norma Regulamentadora do assunto.
Provas
Questão presente nas seguintes provas
Na seleção dos componentes de um sistema elétrico, devem ser levados em consideração os efeitos danosos ou indesejados que o componente possa apresentar, em serviço, sobre outros componentes ou na rede de alimentação. Entre as características e fenômenos suscetíveis de gerar perturbações ou comprometer o desempenho satisfatório da instalação, podem ser citados os itens a seguir, EXCETO
Provas
Questão presente nas seguintes provas
Quando uma fundação superficial é solicitada por uma carga excêntrica, isto é, quando estiver submetida a qualquer composição de forças que incluam ou gerem momentos na fundação, o seu dimensionamento deve considerar a área comprimida em, no mínimo, 2/3 da área total da fundação, considerando que o solo é um elemento que não resiste à tração, assegurando, assim,
Provas
Questão presente nas seguintes provas
- Edificações
- Estruturas
- Resistência dos Materiais e Análise EstruturalEstruturas de Concreto
- Métodos Construtivos
A tabela a seguir apresenta o tempo de desforma em estruturas de concreto armado conforme o tipo de cimento utilizado. Assinale a alternativa que corresponda à idade correta de desforma das incógnitas X, Y e W.

Provas
Questão presente nas seguintes provas
A simbologia apresentada na figura a seguir foi retirada da Norma Técnica sobre Concreto Armado, é utilizada para simplificar a compreensão e aplicação de conceitos e significa

Provas
Questão presente nas seguintes provas
Cadernos
Caderno Container