Foram encontradas 379 questões.
No que se refere ao sistema viário urbano, assinale a opção correta.
Provas
Questão presente nas seguintes provas
A respeito dos princípios básicos que devem ser observados ao se arranjar um canteiro de obra, assinale a opção correta.
Provas
Questão presente nas seguintes provas
De acordo com os critérios da norma brasileira sobre aterramento
Provas
Questão presente nas seguintes provas
Acerca de paredes de alvenaria e de revestimentos, que, além de protegerem as alvenarias contra a chuva e a umidade, ajudam no acabamento estético de uma construção, assinale a opção correta.
Provas
Questão presente nas seguintes provas

Arquitetos costumam lançar mão de gráficos durante o processo de lançamento de um projeto para avaliar melhor as relações entre as partes e o todo. Considerando os gráficos A,B,C, D e E acima, e a relação entre áreas restritas e circulações, que podem aparecer durante o estudo de um programa complexo, assinale a opção que apresenta a relação correta entre gráfico e questionamento associado.
Provas
Questão presente nas seguintes provas

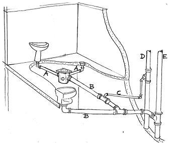
Na figura acima, as peças identificadas pelas letras A,B,C,D e E integram as instalações sanitárias ocultas de uma construção acabada. Assinale a opção que apresenta a identificação correta da peça.
Provas
Questão presente nas seguintes provas
A forma mais simplificada para a apresentação do programa de necessidades de um projeto arquitetônico consiste em
Provas
Questão presente nas seguintes provas
Acerca da outorga onerosa do direito de construir, assinale a opção correta
Provas
Questão presente nas seguintes provas
Assinale a opção correta no que diz respeito ao estudo de impacto ambiental (EIA).
Provas
Questão presente nas seguintes provas
Com a recente criação do CAU (Conselho de Arquitetura e Urbanismo), ainda existem algumas dúvidas quanto às diferentes atribuições entre arquitetos e engenheiros vinculados ao CREA (Conselho Regional de Engenharia, Arquitetura e Agronomia), e até com paisagistas e designers. O CAU esclarece em seu site as seguintes atribuições para seus respectivos profissionais.
Provas
Questão presente nas seguintes provas
Cadernos
Caderno Container