Foram encontradas 451 questões.
Provas
- Gerenciamento, Planejamento e Controle de Obras
- Orçamento no Planejamento e Controle de Obras na Engenharia Civil
Provas
Provas

As estacas A-1; A-2; A-3; A-4 e A-5 terão cotas, em metros, respectivamente, de
Provas
Considere o perfil geotécnico da figura abaixo.

Dados:
Peso específico natural do silte arenoso = 15,0 kN/m3.
Peso específico da areia acima do nível d’água (NA) = 17,5 kN/m3.
Peso específico saturado da areia = 18,0 kN/m3.
Peso específico saturado da areia siltosa = 19,5 kN/m3.
O valor da tensão efetiva, em kPa, no ponto B (cota – 8 m) é
Provas
A área necessária de armadura de tração com aço CA50,
em cm2, calculada no estado limite último para situações
de combinações normais, é Provas
Nos projetos de instalações elétricas prediais devem ser previstos esquemas de aterramento, conforme a figura abaixo.

A figura representa o esquema de aterramento
Provas
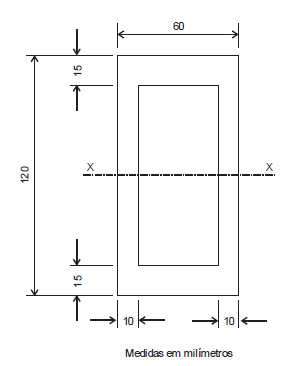
Em uma estrutura metálica utilizou-se o perfil vazado, conforme figura abaixo.

Para a determinação das tensões na flexão necessita-se do momento de inércia do perfil vazado cujo valor, em cm4, em torno do eixo X − X, é
Provas
Provas
- Gerenciamento, Planejamento e Controle de Obras
- Orçamento no Planejamento e Controle de Obras na Engenharia Civil
Provas
Caderno Container