Foram encontradas 2.521 questões.

Um sistema de monitoramento de embalagem de produtos alimentícios verifica a temperatura em 4 pontos por meio dos sensores A, B, C e D identificados na figura precedente. Caso a saída S da central de lógica seja 0, o produto estará fora dos padrões e deverá ser descartado.
Com base nessas informações, julgue o próximo item.
Caso a central de lógica seja construída usando-se transistores da família MOS, o circuito lógico deverá ser manuseado com maior cuidado, uma vez que esses transistores são mais suscetíveis à queima por eletrostática que os da família TTL.
Provas
Questão presente nas seguintes provas
No que se refere a campos elétrico e magnético, julgue o item que se segue.
A propagação da luz no vácuo ocorre devido ao fato de a variação de um campo elétrico induzir um campo magnético, que, ao variar, induz um campo elétrico, e assim sucessivamente; nesse caso, ambos os campos são perpendiculares à direção de propagação da luz.
Provas
Questão presente nas seguintes provas
No que se refere a campos elétrico e magnético, julgue o item que se segue.
A maior concentração das linhas de campo magnético localiza-se na região externa dos toroides.
Provas
Questão presente nas seguintes provas
No que se refere a campos elétrico e magnético, julgue o item que se segue.
O campo elétrico no interior dos condutores é nulo.
Provas
Questão presente nas seguintes provas

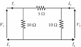
Tendo como referência o quadripolo apresentado, em que V1 é a tensão na porta de entrada e V2, a tensão na porta de saída, julgue o item subsequente.
Uma ligação externa entre as portas de um quadripolo pode ser realizada para serem determinados seus parâmetros de transferência.
Provas
Questão presente nas seguintes provas

Tendo como referência o quadripolo apresentado, em que V1 é a tensão na porta de entrada e V2, a tensão na porta de saída, julgue o item subsequente.
A impedância vista pela porta da entrada, quando a porta de saída está em aberto, é igual a 6 Ω.
Provas
Questão presente nas seguintes provas

Tendo como referência o quadripolo apresentado, em que V1 é a tensão na porta de entrada e V2, a tensão na porta de saída, julgue o item subsequente.
Uma vez que pode ocorrer armazenamento de energia no interior dos quadripolos, então I1 não é, necessariamente, igual a I3.
Provas
Questão presente nas seguintes provas

Tendo como referência o quadripolo apresentado, em que V1 é a tensão na porta de entrada e V2, a tensão na porta de saída, julgue o item subsequente.
A impedância de transferência é dada pela relação entre a tensão V1 e a corrente I2 quando a porta de entrada está em curto.
Provas
Questão presente nas seguintes provas

Considerando o circuito elétrico mostrado na figura precedente, julgue o item seguinte.
Sem alterar o comportamento elétrico do circuito, a fonte E1 e o resistor R1 podem ser substituídos por uma fonte de corrente de 32 A e um resistor em paralelo de resistência igual a 8 Ω.
Provas
Questão presente nas seguintes provas

Considerando o circuito elétrico mostrado na figura precedente, julgue o item seguinte.
Sem alterar o comportamento elétrico do circuito, a fonte de tensão E1 poderia ser substituída por uma fonte de corrente de 4 A.
Provas
Questão presente nas seguintes provas
Cadernos
Caderno Container