Foram encontradas 60 questões.

A figura acima mostra o diagrama unifilar de um gerador síncrono trifásico que alimenta um barramento de cargas através de uma rede radial de distribuição, representada a partir de uma indutância de \( j5 \Omega \) por fase. Ao atender um determinado conjunto de cargas, a tensão no barramento da carga é igual a \( \dot V_{BC} = 100 \angle - 60°[V] \).
Sendo a tensão gerada nos terminais do gerador síncrono igual a \( \dot V_G = 120 \angle 0°[V] \) , qual é a potência reativa total, em VAr, fornecida pelo gerador trifásico?
Provas

O wattímetro da figura acima está sendo utilizado para a medição da potência ativa em um circuito. O instrumento possui os tapes de 15 e 25 ampères na bobina de medição de corrente, e o tape de 240 volts na bobina de medição de tensão, utilizando uma única escala normalizada de 0 até 6 kW.
Suponha que o tape de corrente utilizado seja o de 15 A e que o tape de tensão seja de 240 V.
Nessas condições, qual a potência que está sendo consumida pelo circuito, em watts, segundo a aferição indicada pelo wattímetro na figura?
Provas

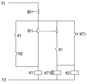
O circuito da figura acima é composto de duas contatoras K1 e K2, um relé de tempo KT1 (com tempo de ajuste do relé igual a 1 segundo), além dos botões de impulso B0 e B1.
Nesse circuito, tem-se que:
Provas

O condutor apresentado na figura acima possui comprimento L = 2 m e está movendo-se com uma velocidade v = 5 m/s na presença de um campo magnético, cuja densidade de fluxo é B = 0,1 T. O sentido de deslocamento do condutor e o sentido do campo magnético estão mostrados na própria figura. Além disso, o condutor possui uma inclinação de 60° em relação ao eixo ortogonal ao seu sentido de deslocamento.
Qual o valor da magnitude da tensão induzida no condutor, em volts, para essas condições?
Provas

O circuito da figura acima é composto por uma fonte de corrente alternada com valor \( \dot I = 10 \angle 0° A \), duas resistências de \( 10 \Omega \), uma resistência de \( 20 \Omega \), uma reatância capacitiva de \( - j6 \Omega \) e uma reatância indutiva de \( j 10 \Omega \).
Qual a potência ativa consumida, em watts, por esse circuito?
Provas

O sinal de tensão mostrado na figura é formado por um sinal senoidal\( v(t) = 62,8 \ sen(120\pi \ t) \), retificado em meia onda, que foi associado em série a uma fonte de tensão contínua, devidamente polarizada, de forma que o sinal formado, visto na figura, tenha seu valor médio nulo.
O valor absoluto aproximado, em V, da tensão da fonte contínua utilizada é
Provas

O circuito da figura acima é constituído de uma fonte de tensão, uma fonte de corrente, um amperímetro e resistores, todos considerados ideais.
Para que a corrente medida no amperímetro seja de 0,8 A, o valor do resistor R, em \( \Omega \), é
Provas
Com relação ao mercado e à comercialização de energia elétrica no Sistema Interligado Nacional (SIN), observe as afirmativas a seguir.
I - A energia elétrica é comercializada no Mercado Atacadista de Energia (MAE).
II - Os agentes de distribuição podem negociar a energia elétrica somente no Ambiente de Contratação Regulada (ACR).
III - A Empresa de Pesquisa Energética (EPE), através de seus estudos de planejamento, determina a demanda de energia a ser contratada pelos agentes.
É correto APENAS o que se afirma em
Provas
Atualmente, os dispositivos digitais de proteção são capazes de desempenhar diversas funções de proteção. Muitas dessas funções são baseadas nos fasores das tensões e correntes medidas no ponto de instalação do dispositivo.
Um dos algoritmos, comumente utilizado em dispositivos digitais de proteção, para cálculo e estimação de fasores das grandezas medidas é a transformadaProvas
Dentre suas atribuições, a Agência Nacional de Energia Elétrica (ANEEL) é responsável por
Provas
Caderno Container