Foram encontradas 60 questões.
A decisão da Comissão de Constituição e Justiça da Câmara de aprovar em caráter conclusivo o projeto que autoriza a divulgação de imagens, escritos e informações biográficas de pessoas públicas pode ser um marco na história da liberdade de expressão no país.
Até agora, o Brasil vem caminhando no obscurantismo no tocante à publicação ou filmagem de biografias. O artigo 20 do Código Civil bate de frente com a Constituição, que veta a censura. Só informações avalizadas pelo biografado ou pela sua família podem ser mostradas. É o império da chapa branca, cravado numa sociedade que caminha para o pluralismo, a transparência, a troca de opiniões.
O brasileiro vê estupefato uma biografia de Roberto Carlos sendo recolhida e queimada; biografias de Guimarães Rosa e Raul Seixas sendo proibidas de circular; inúmeros filmes vetados por famílias que se julgam no direito de determinar o que pode ou não pode ser dito sobre qualquer pessoa. Exatamente o que os generais acreditavam poder fazer em relação a jornais, rádios e televisão.
[....] O projeto aprovado na CCJ abre caminho para que a sociedade seja amplamente informada sobre seus homens públicos, seus políticos, seus artistas, não apenas através de denúncias, mas também de interpretações. O livro publicado sobre Roberto Carlos era laudatório; o mesmo acontecia com o documentário de Glauber Rocha, também proibido, sobre Di Cavalcanti.
[....] A alteração votada abre um leque extraordinário ao desenvolvimento da produção cultural neste país. Mais livros serão escritos, mais filmes serão realizados, mais trajetórias políticas e artísticas serão debatidas.
Assinale a alternativa que mostra a correta relação entre as duas ações sublinhadas.
Provas
Provas
- Nocões BásicasSoftwareTeclas de Atalho
- Sistemas OperacionaisWindowsFuncionalidades do WindowsGerenciamento de Arquivos e PastasWindows Explorer
Provas
Provas
Provas

O atalho de teclado para essa função é
Provas
Provas
Na figura a seguir são apresentados cinco sinais.

O primeiro é de um sinal digital a ser transmitido.O segundo é uma onda portadora a ser modulada.
As ondas A, B e C são ondas portadoras moduladas, respectivamente, em
Provas
- EletromagnetismoElétricaAssociação de Resistores
- EletromagnetismoElétricaCircuitos Elétricos Especiais: Leis de Kirchhoff e Ponte de Wheatstone
- EletromagnetismoElétricaEletricidade
- EletromagnetismoElétricaResistores e Potência Elétrica

O circuito elétrico acima alimenta uma resistência de carga (Rcarga). Este circuito é dotado de dispositivo de chaveamento por meio de um SCR. As chaves Ch A e Ch B, no circuito, encontram-se abertas.
A resistência de Rg para permitir o disparo do SCR com a máxima corrente de gatilho, após o fechamento de Ch A e Ch B e a potência solicitada pela resistência de carga são, em Ohms e Watts, respectivamente, iguais a
Provas
- EletromagnetismoElétricaAssociação de Resistores
- EletromagnetismoElétricaCircuitos Elétricos Especiais: Leis de Kirchhoff e Ponte de Wheatstone
- EletromagnetismoElétricaEletricidade
- EletromagnetismoElétricaResistores e Potência Elétrica
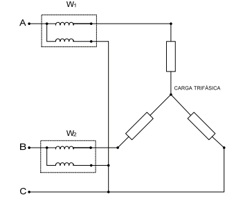
Analise a afigura a seguir.

A figura acima apresenta um esquema para medição de potência trifásica de uma carga trifásica equilibrada. Esse esquema é composto de dois wattímetros ligados conforme a figura, cujas leituras são W1 e W2.
As potências trifásicas ativa e reativa são respectivamente iguais a
Provas
Caderno Container