Foram encontradas 962 questões.
Este cabeamento tem como principais características: distância máxima de transmissão de 1,0km, velocidade típica 10Mbps e uma média relação sinal/ruído:
Provas
Uma máquina CC de excitação independente, 25kW e 125V opera com velocidade constante de 3000rpm e uma corrente de campo constante tal que a tensão de armadura em circuito aberto seja de 125V. A resistência da armadura é 0,02Ω. Os valores da potência de entrada dos terminais do motor e a potência eletromagnética para um valor de tensão de terminal igual a 128V serão respectivamente:
Provas
Em relação aos sistemas de proteção contra descargas elétricas é INCORRETO afirmar:
Provas
Uma máquina síncrona trifásica ligada em Y de 45kVA, 220V (tensão de linha), seis pólos e 60 Hz, tem o valor da corrente de armadura nominal de:
Provas
Um motor de indução trifásico de dois pólos e 60Hz está operando com uma velocidade de 3502rpm com uma potência de entrada de 15,7kW e uma corrente de terminal de 22,6A. A resistência de enrolamento do estator é 0,20Ω/fase. O valor da potência dissipada no rotor será de:
Provas
Em relação ao cabeamento estruturado é INCORRETO afirmar:
Provas
Nos motores de indução monofásicos a utilização de um capacitor eletrolítico tem como finalidade de aumentar:
Provas
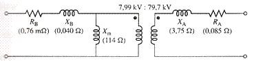
O circuito equivalente de um transformador de 100MVA está mostrado abaixo. O valor da Xbase do lado da alta tensão será de:

Provas
O circuito magnético abaixo, tem as seguintes dimensões Ac=Ag=9cm², g=0,050cm, Ic=30cm e N=500 espiras. Supondo que o valor μr=70.000 para o material do núcleo, e que o circuito magnético esteja operando com Bc=1,0T, a corrente i será de:

Provas
Um gerador CA síncrono de quatro pólos com um entreferro uniforme tem um enrolamento de rotor distribuído com 263 espiras em série, um fator de enrolamento de 0,935 e um entreferro de comprimento 0,7mm. Supondo que a queda de FMM no aço elétrico seja desprezível, o valor da corrente de rotor necessária para produzir uma densidade de fluxo magnético fundamental espacial de pico de 1,6T no entreferro da máquina será de:
Provas
Caderno Container