Magna Concursos

Foram encontradas 714 questões.

2683463 Ano: 2007
Disciplina: Engenharia Mecânica
Banca: UFMG
Orgão: TJ-MG

O contrapeso de um elevador consiste em uma armação metálica formada por duas longarinas e dois cabeçotes, onde são fixados pesos (intermediários), de tal forma que o conjunto tenha peso total igual ao do carro, acrescido de uma porcentagem da capacidade de carga licenciada. A porcentagem da capacidade de carga licenciada utilizada no projeto do contrapeso está compreendida no intervalo

 

Provas

Questão presente nas seguintes provas
2683462 Ano: 2007
Disciplina: Engenharia Mecânica
Banca: UFMG
Orgão: TJ-MG

A resolução de um instrumento de medição é definida como a menor medida que podemos obter neste, dentro de seu limite de exatidão. Na maioria dos instrumentos analógicos de medida, a resolução pode ser obtida pela divisão direta, ou melhor, pela razão matemática entre a menor divisão da escala fixa e

 

Provas

Questão presente nas seguintes provas
2683461 Ano: 2007
Disciplina: Engenharia Mecânica
Banca: UFMG
Orgão: TJ-MG

Observe o Ciclo de Carnot representado no diagrama (P,V): Pressão x Volume.

Enunciado 3348776-1

Se no trecho 2→3 desse ciclo, o sistema fornece 100J de trabalho ao meio externo, então, é CORRETO afirmar que, nesse trecho

 

Provas

Questão presente nas seguintes provas
2683460 Ano: 2007
Disciplina: Engenharia Mecânica
Banca: UFMG
Orgão: TJ-MG

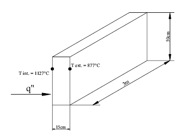
A parede de um forno industrial é construída em tijolo refratário com 15cm de espessura e condutividade térmica de Enunciado 3348768-1 . As medidas realizadas em condições de operação permanentes mostram que as temperaturas nas superfícies interna e externa são 1.127oC e 877oC respectivamente.

Enunciado 3348768-2

Assinale a alternativa que apresenta a perda de calor através de uma parede de 50 cm de altura por 3 m de comprimento.

 

Provas

Questão presente nas seguintes provas
2683459 Ano: 2007
Disciplina: Engenharia Mecânica
Banca: UFMG
Orgão: TJ-MG

Observe os diagramas abaixo (P,V): Pressão x Volume e (T,S): Temperatura x Entropia, que representam um ciclo de potência ideal a ar. Neste ciclo, o calor é transferido ao fluido de trabalho durante o processo a volume constante 2→3 e também durante o processo de expansão isotérmica 3→4. Calor é transferido do fluido de trabalho (rejeitado do ciclo) durante o processo a volume constante 4→1 e durante o processo de compressão isotérmica 1→2.

Enunciado 3349015-1

A descrição acima apresentada refere-se ao ciclo de potência ideal a ar denominado
 

Provas

Questão presente nas seguintes provas
2683458 Ano: 2007
Disciplina: Engenharia Mecânica
Banca: UFMG
Orgão: TJ-MG

A curva apresentada abaixo representa um típico ensaio mecânico.

Enunciado 3348774-1

Assinale a alternativa que indica o ensaio representado.

 

Provas

Questão presente nas seguintes provas
2683457 Ano: 2007
Disciplina: Engenharia Mecânica
Banca: UFMG
Orgão: TJ-MG

O conhecimento das propriedades físico-químicas dos gases é importante para que os processos industriais, nos quais os gases se fazem presentes, sejam realizados com a máxima segurança e eficiência. As informações abaixo referem-se aos principais gases utilizados em processos industriais. As seguintes afirmativas estão corretas, EXCETO

 

Provas

Questão presente nas seguintes provas
2683456 Ano: 2007
Disciplina: Engenharia Mecânica
Banca: UFMG
Orgão: TJ-MG

Considere os seguintes tópicos referentes ao princípio de funcionamento de uma bomba centrífuga e assinale com V os verdadeiros e com F os falsos.

( ) Logo que se inicia o movimento do rotor e do líquido contido nos canais formados pelas pás, a força centrífuga decorrente desse movimento cria uma zona de maior pressão na periferia do rotor e, conseqüentemente, uma de baixa pressão na sua entrada, produzindo o deslocamento do líquido em direção à saída dos canais do rotor e à boca de recalque da bomba. Estabelece-se um gradiente hidráulico entre a entrada e a saída da bomba em virtude das pressões nelas reinantes.

( ) Simultaneamente ao escoamento do líquido através do encanamento de aspiração do reservatório inferior para a bomba, a energia na boca de recalque da bomba, tornando-se superior à pressão estática a que está submetida a base da coluna líquida na tubulação de recalque, obriga o líquido a escoar para uma cota superior ou local de pressão considerável.

( ) É na passagem pelo rotor que se processa a transformação da energia mecânica nas energias de pressão e cinética que são aquelas que o líquido pode ter. Saindo do rotor, o líquido penetra no difusor, onde parte apreciável de sua energia cinética é transformada em energia de pressão e segue para a tubulação de recalque.

( ) Em virtude da diferença de pressões que se estabelece no interior da bomba ao ter lugar o movimento de rotação, a pressão à entrada do rotor torna-se inferior à existente no reservatório de captação, dando origem ao escoamento do líquido através do encanamento de aspiração, do reservatório inferior para a bomba.

Assinale a alternativa que apresenta a seqüência de letras CORRETA.

 

Provas

Questão presente nas seguintes provas
2683455 Ano: 2007
Disciplina: Engenharia Mecânica
Banca: UFMG
Orgão: TJ-MG

Um processamento termomecânico, se executado dentro de determinados parâmetros controlados, pode produzir, num dado material, melhorias em propriedades mecânicas. Marque a alternativa que NÃO corresponde a uma propriedade mecânica.

 

Provas

Questão presente nas seguintes provas
2683454 Ano: 2007
Disciplina: Engenharia Mecânica
Banca: UFMG
Orgão: TJ-MG

Observe esta figura.

Enunciado 3348764-1

É CORRETO afirmar que a técnica de conformação representada nessa figura é conhecida como

 

Provas

Questão presente nas seguintes provas