Foram encontradas 119 questões.

Se o núcleo do indutor fosse de ar e se, em função de VS, a corrente IL fosse alternada de forma senoidal, então, ao se aproximar um ímã permanente do indutor, não surgiria entre eles nenhuma interação mecânica.
Provas
Questão presente nas seguintes provas

Se a tensão Vs for um degrau de tensão de amplitude 10 V aplicado no instante T = 0 s e se as resistências valerem R1 = 5 kΩ e R2 = R3 = 10kΩ a corrente IL(T) será dada por IL (t) = 500 μ ( 1 - e-t/τ ) A, para t ≥ 0 s , em que τ é a constante de tempo do circuito.
Provas
Questão presente nas seguintes provas

A partir de uma análise em regime permanente senoidal, observa-se, qualitativamente, que a relação entre VL e V se comporta como um filtro passa-faixa.
Provas
Questão presente nas seguintes provas

Em uma análise em regime permanente senoidal, observa-se que as tensões fasoriais correspondentes a VL e a VR2 estão em fase.
Provas
Questão presente nas seguintes provas

Se a fonte de tensão for descrita no tempo por uma função degrau de amplitude positiva igual a U Volts, o módulo da corrente no indutor, em regime permanente, assumirá um valor igual a

Provas
Questão presente nas seguintes provas

Se o capacitor, cuja capacitância vale C, for dado por um par de placas paralelas, tendo o ar como meio dielétrico, então a intensidade de campo elétrico entre as placas não dependerá da taxa temporal de variação de corrente no indutor.
Provas
Questão presente nas seguintes provas

A função de transferência desse circuito, que relaciona a tensão entre os terminais do indutor com a tensão de entrada, apresenta dois polos.
Provas
Questão presente nas seguintes provas

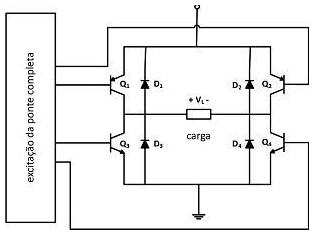
Os diodos são utilizados para proteger os transistores e a fonte VCC de altas tensões induzidas devido a cargas indutivas, uma vez que oferecem caminhos alternativos para correntes que irão liberar a energia armazenada no campo magnético da carga.
Provas
Questão presente nas seguintes provas

As excitações das bases dos transistores seguem certo sequenciamento digital ao longo do tempo. Uma possibilidade de chaveamento dos transistores seria tal que para o motor girar em certo sentido, os transistores Q1 e Q4 devem saturar, enquanto os transistores Q2 e Q3 devem permanecer cortados. Para inverter o sentido de rotação, Q2 e Q3 devem saturar, enquanto Q1 e Q4 devem permanecer cortados.
Provas
Questão presente nas seguintes provas

Se a carga, hipoteticamente, possuísse constante de tempo única de 1 μs, então uma frequência de 20 KHz poderia, adequadamente, ser adotada para a excitação PWM da ponte.
Provas
Questão presente nas seguintes provas
Cadernos
Caderno Container