Foram encontradas 40 questões.

A figura acima mostra um sinal oriundo de uma descarga de capacitor, cuja expressão é dada por:
!$ \begin {cases} f(t) \, = \, Ae^{- \alpha t} \,\,\, para \,\, t \, \ge \, 0 \\ \,\,\,\,\, f (t) \, = \, 0 \,\,\, para \,\,\, t < 0 \end {cases} !$
onde A e !$ \alpha !$ são constantes positivas.
A expressão da Transformada de Fourier deste sinal é:
Provas
Uma planta industrial pode ser modelada através de uma Função de Transferência G(s) racional e contínua, de terceira ordem, estritamente própria e estável.
Com relação a G(s), é correto afirmar que:
Provas
Considere a figura abaixo.

A chave S, no circuito, encontrava-se aberta por um longo tempo, tendo o circuito alcançado o regime permanente. Imediatamente após fechar a chave S, o valor da corrente I1, em ampères, será:
Provas

A figura acima mostra uma fonte de tensão contínua alimentando um circuito RC. Com o capacitor descarregado, a chave fecha-se no instante inicial, isto é, em t=0.
A expressão matemática do tempo total (t), contado a partir do instante inicial até o capacitor se carregar com 1/5 da tensão da fonte, é:
Provas

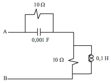
O circuito da figura acima é alimentado, entre os pontos A e B, por uma tensão senoidal de freqüência !$ \dfrac {50} {\pi} \, Hz. !$
A impedância equivalente deste circuito, em ohms, é:
Provas
No uso do tiristor como elemento de chaveamento e controle de potência em circuitos elétricos, costuma-se associar, em série com o mesmo, um indutor, com a finalidade de:
Provas
Considere a figura abaixo.

O circuito ilustrado representa um filtro passa-banda de segunda ordem.
Considerando os amplificadores operacionais ideais, a função de transferência !$ \dfrac {V_O (s)} {V_I (s)} !$ do circuito é:
Provas
Um sistema em tempo real fraco (soft real-time) possui quatro eventos periódicos, com períodos, em ms, de 40, 100, 200 e 200 cada.
Considere que os quatro eventos requeiram tempos de CPU, em ms, respectivamente 20, 20, 50 e T.
O maior valor de T, em ms, para que o sistema seja escalonável é:
Provas
O endereço IP e a máscara de sub-rede de uma determinada estação numa sub-rede TCP/IP são, respectivamente, 200.20.121.124 e 255.255.255.192.
O endereço IP de identificação da sub-rede é:
Provas
Considere um circuito combinacional de três entradas A, B e C, cuja função é composta pela seguinte soma de mintermos:
!$ f \, = \, \overline {A} B \overline {C} \, + \, AB \overline {C} \, + \, \overline {A} \overline {B} C \, + \, \overline {A} B C \, + \, A B C !$
Utilizando-se o método de simplificação de Karnaugh, obtém-se a seguinte expressão da função simplificada:
Provas
Caderno Container