Foram encontradas 40 questões.
De acordo com a Primeira Lei da Termodinâmica, com relação às transformações isotérmicas de um gás ideal, é correto afirmar que o(a):
Provas

O gráfico mostrado na figura acima ilustra o diagrama do Lugar das Raízes de um sistema de 3ª ordem, com três pólos, nenhum zero finito e com realimentação de saída.
Com base nas informações contidas no gráfico, o valor do ganho K≥0 que posiciona os pólos de malha fechada no limiar da instabilidade é:
Provas
Um determinado circuito monofásico que alimenta um motor elétrico, cujo esquema de aterramento adotado é o TN-C, tem o seu neutro rompido.
A máxima tensão que pode existir entre a carcaça do motor e o terra é igual a:
Provas
As componentes de seqüência negativa de um sistema trifásico equilibrado consistem de três fasores iguais em módulo e:
Provas

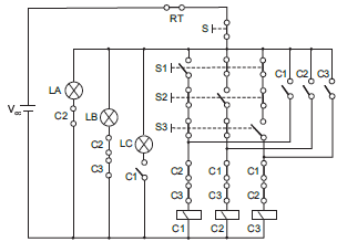
A figura apresenta o circuito elétrico de comando de três máquinas trifásicas acionadas por intermédio dos contatores C1, C2 e C3. As chaves S1, S2 e S3 são do tipo sem retenção.
Com relação a este circuito, considere as seguintes afirmações:
I - As lâmpadas LA e LB podem acender simultaneamente, sendo que nessa condição as máquinas comandadas pelos contatores C2 e C3 deverão estar desligadas.
II - A lâmpada LC somente acende quando a máquina comandada pelo contator C1 entra em operação.
III - As máquinas não podem funcionar simultaneamente.
IV - Ao ser acionada a chave S, todas as máquinas são desenergizadas e, após a chave S retornar à sua posição de repouso, as lâmpadas LA e LB acendem.
V - Ao ser acionada a chave S1, as máquinas comandadas pelos contatores C2 e C3 são desenergizadas e as lâmpadas LA, LB e LC se acendem.
São verdadeiras as afirmações:
Provas
A chave estrela-triângulo é muito utilizada para a partida de motores, em função de seu custo reduzido, praticidade e outras vantagens.
Para um dado motor, possível de ser ligado nas configurações estrela e triângulo, a utilização desta chave garante a redução na corrente de partida de:
Provas
Considere um transformador com reatância de 1,9044 ohms referida ao lado da tensão mais elevada, cujo valor é 13,8 kV, tendo como tensão e potência de bases, neste mesmo lado, 13,8 kV e 10 MVA, respectivamente.
A referida reatância do transformador por unidade (p.u.) assume o valor de:
Provas
Um motor trifásico de 10 HP (considere 1 HP = 746 W) está conectado a uma fonte de 220 Volts de tensão de linha e possui um fator de potência 0,5 indutivo e um rendimento de 60%.
O valor da corrente elétrica requerida da fonte, em Ampères, é:
Provas
Numa rede de 50 Hz, uma carga monofásica é alimentada com uma tensão eficaz de 100 V e recebe uma corrente eficaz de 10 A. O fator de potência da carga é de 0,867 indutivo.
Para tornar o fator de potência do circuito unitário, é preciso colocar, em paralelo com a carga, um capacitor, com valor aproximado, em !$ \mu !$F, de:
Provas
Um motor de indução trifásico, alimentado por uma fonte de tensão de 60 Hz, tem 3 ranhuras por pólo e por fase do estator. O escorregamento é de 2%.
A velocidade de rotação, em rpm, deste motor é:
Provas
Caderno Container