Foram encontradas 40 questões.
Com relação à modulação PCM (Pulse Code Modulation) utilizada em centrais telefônicas digitais, considere as seguintes operações:
I - Amostragem;
II - Quantificação;
III - Codificação;
É correto afirmar que o sinal de voz, na entrada do canal, passa pela seguinte seqüência de operações:
Provas
A informação sobre o número do assinante destino pode ser enviada para a central telefônica pública através de Pulsos ou Tons Multifreqüenciais (DTMF). No caso dos pulsos, cada dígito do teclado telefônico, quando acionado, emitirá um número correspondente de pulsos.
Com relação à opção por Tom, o número de tons freqüenciais emitidos a cada dígito acionado é:
Provas
Sobre a comparação entre os dois tipos de multiplexação − FDM e TDM − considere as afirmativas a seguir:
I - o FDM é menos imune ao ruído que o TDM;
II - o TDM permite a regeneração do sinal e o FDM, não;
III - o FDM não exige as conversões A/D e D/A e o TDM, sim.
A(s) afirmativa(s) correta(s) é(são) apenas:
Provas
Há um aparelho, usado na comutação telefônica, que opera com teclas eletromecânicas, demanda muitos fios em sua instalação, está caindo em desuso atualmente e, entre todos, é o que tem menor capacidade.
Ele é conhecido pela sigla:
Provas
Considere a figura abaixo.

O componente eletrônico cuja curva característica V x I é mostrada na figura trata-se de um:
Provas
Nas conexões entre centrais telefônicas locais de uma rede, quando duas delas só podem se conectar por intermédio de uma outra central, conhecida como CENTRAL TANDEM, esta rota é denominada:
Provas
Considere a figura abaixo.

Dados: !$ \Beta !$=100; RC=3k!$ \Omega !$; RL=2k!$ \Omega !$; RB=10k!$ \Omega !$; ri=1k!$ \Omega !$
A figura mostra o circuito correspondente ao modelo para sinais de um estágio transistorizado. De acordo com os valores fornecidos para os componentes, o ganho de tensão !$ A_v \, = \, \dfrac {V_O} {V_I} !$ desse circuito é:
Provas
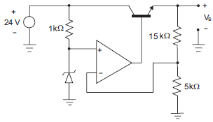
Observe a figura a seguir.

O circuito ilustrado corresponde a um conversor / regulador de tensão. Considerando que o amplificador operacional seja ideal e que o diodo Zener seja de 4 V, a tensão de saída VS, em volts, do regulador será:
Provas
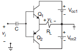
Observe a figura abaixo.

O circuito eletrônico aplicado, mostrado na figura, onde vi é a entrada e vL é a saída, representa uma configuração conhecida como:
Provas
- Fundamentos de Sistemas OperacionaisArquitetura de Sistemas Operacionais
- Sistemas DistribuídosIntrodução à Sistemas Distribuídos
A opção em que se encontram os registradores do microprocessador 8088, responsáveis pelo fornecimento do endereço de execução de uma instrução é:
Provas
Caderno Container