Foram encontradas 40 questões.
Disciplina: TI - Organização e Arquitetura dos Computadores
Banca: CESGRANRIO
Orgão: Transpetro
A quantidade de ciclos de barramento do microprocessador 8088 necessária para acessar dados de 16 bits, a partir de endereços da memória, é:
Provas
Disciplina: TI - Organização e Arquitetura dos Computadores
Banca: CESGRANRIO
Orgão: Transpetro
Os computadores digitais possuem, normalmente, parte de seus programas de inicialização gravados em memórias do tipo ROM (Read Only Memory). Com relação a este tipo de memória, existem basicamente a PROM, EPROM e E2PROM.
Nessa perspectiva, é correto afirmar que a memória:
Provas
Um rádio VHF recebe um sinal com potência de 0,01 W. A potência desse sinal em dBm é:
Provas
Considere o circuito e o gráfico abaixo para responder à questão.

No circuito apresentado, a chave S tem sua posição alternada entre os contatos 1 e 2 a cada minuto. Através de medidas realizadas, foi possível elaborar o gráfico da tensão V0(t).
As resistências de R1 e R2, em k!$ \Omega !$, que mais se aproximam do comportamento apresentado no gráfico, respectivamente, são:
Provas
Duas fontes de alimentação CC são ligadas em paralelo para alimentar uma carga resistiva de 45 !$ \Omega !$. As duas fontes têm a mesma tensão nominal de 120V, mas uma possui resistência interna de 4 !$ \Omega !$ e a outra, de 12 !$ \Omega !$.
O valor aproximado da potência, em watts, transferida para a carga é de:
Provas
Observe a figura abaixo.

Um amperímetro, formado por um galvanômetro A de bobina móvel, com resistência interna de 10 !$ \Omega !$ e uma resistência shunt Rs, opera na escala linear de 0 a 400 mA. Um voltímetro, formado também por um galvanômetro V de bobina móvel, com resistência interna de 50 !$ \Omega !$ e uma resistência multiplicadora Rm, opera na escala linear de 0 a 120 V. Os dois medidores estão conectados na configuração mostrada na figura. Uma tensão de 320V CC é aplicada entre os terminais B e C e observa-se que os ponteiros dos dois galvanômetros se posicionam exatamente no meio de suas escalas.
Os valores, em ohms, de Rs e Rm, respectivamente, são:
Provas
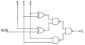
Considere a figura a seguir.

A figura mostra parte de um circuito digital somador/subtrator de 1 bit, onde X, Y, Z, SUB e C são variáveis booleanas que assumem níveis lógicos 0 e 1.
A expressão simplificada para a saída C, quando SUB vale 1, é:
Provas
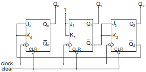
Considere a figura abaixo.

O circuito ilustrado na figura apresenta uma máquina de estados, onde Q2 representa o bit mais significativo e 1 o nível lógico alto. O estado inicial é (0)10, obtido pela ativação do sinal de clear.
Os próximos três estados desta máquina, representados na base 10, são:
Provas
Observe a figura abaixo.

Dispondo apenas de circuitos integrados 74LS01, que possuem quatro portas NAND com duas entradas, o número mínimo necessário destas portas para implementar a função EXNOR ilustrada é:
Provas
Uma placa de conversão Analógico/Digital (A/D) exige que o sinal analógico, em sua entrada, seja limitado entre −2 V e +2 V. A conversão é feita numa taxa de amostragem de 12,8 kHz e 8 bits por amostra.
A diferença entre os níveis de quantização, em mV, nesta conversão, será de aproximadamente:
Provas
Caderno Container