Foram encontradas 1.219 questões.
Considere o modelo dinâmico de uma bomba de deslocamento positivo, dado por
!$ \begin {cases} \dot{\omega} \, = \, \dfrac {1} {J}(T_m \, - \, b \omega \, - \, C_B p) \\ \dot {p} \, = \, \dfrac {1} {C}(C_B \omega - \dfrac {1} {R} p - Q_0) \end {cases} !$
onde Tm é o torque externo fornecido por um motor; !$ \omega !$ é a velocidade angular da bomba; J é o seu momento de inércia; b representa os atritos internos da bomba; CB é a capacidade volumétrica da bomba; p é a pressão na saída da bomba; C é a sua capacitância fluida, associada à compressibilidade do fluido e a efeitos de cavitação; R é a perda de carga devida a vazamentos e Q0 é a vazão na saída da bomba consumida por componentes a ela conectados.
Supondo Tm e Q0 constantes no tempo, !$ \omega_{\infty} !$ e !$ p_{\infty} !$ representam as condições deste sistema em regime permanente.
Nessas condições, a eficiência total do sistema será dada por:
Provas
Em relação à classificação e à constituição dos aços inoxidáveis, observe as afirmações a seguir.
I - Os aços inoxidáveis martensíticos se caracterizam pela presença de teores de cobalto entre 11,5% e 18% e não são endurecíveis por meio de tratamento térmico e são ferro-magnéticos.
II - Os aços inoxidáveis ferríticos se caracterizam pela presença de manganês como o principal elemento de liga e teores de carbonos inferiores a 0,35% e são endurecíveis por meio de tratamento térmico.
III - Os aços inoxidáveis austeníticos se caracterizam pela presença de teores de cromo e níquel, não são endurecíveis por meio de tratamento térmico e não são ferro-magnéticos.
IV - O teor de carbono desempenha papel fundamental para determinar se um aço inoxidável se encontra na classe martensítica ou ferrítica.
Estão corretas apenas as afirmações:
Provas
Considere o processo de condução unidimensional em regime permanente da parede de um forno industrial feito de um material cuja condutividade térmica é !$ 1,5 \dfrac {W} {m ºC}. !$ O lado externo da parede encontra-se a uma temperatura de 100 ºC e está sujeito ao ar externo cuja temperatura e coeficiente de filme valem, respectivamente, 25 ºC e !$ 20 \dfrac {W} {m \, ºC}. !$
Considerando que a espessura da parede é igual a 0,15 m, a temperatura interna da parede do forno, em ºC, é:
Provas
Concreto pré-misturado, seco, de massa específica 1500 kg/m3 é empacotado em sacos de massa desprezível que, após cheios, apresentam uma massa de 40 kg. Os sacos apóiam-se em estrados à medida que são transportados através da máquina de empacotamento automático.
Se o tempo de enchimento for 4 s e a velocidade vertical da mistura for de 3 m/s, a força vertical máxima sobre o estrado será:
Provas
Observe a figura abaixo.

Uma esfera de volume igual a 1 m3 flutua semi-submersa em água e está ligada a um peso de 10 N em equilíbrio, conforme mostrado na figura.
Nesta situação, é correto afirmar que, para manter a esfera flutuando, o peso utilizado:
Provas
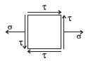
A análise de tensões no eixo de um sistema de transmissão de potência resultou na modelagem de um estado plano de tensões, constituído por uma tensão normal flutuante, igual a 12 kpsi, e uma tensão cisalhante constante, igual a 6 kpsi.
Na seção do eixo em que a análise foi realizada, há ainda uma redução do diâmetro do eixo, que induz a intensificação de tensões por um fator igual a 1,5. Considerando que a resistência à fadiga do componente pode ser tomada como sendo igual a 42 kpsi e empregando fator de segurança igual a 2,0, pelos critérios combinados de Von Mises (máxima energia de distorção) e Soderberg, a tensão de escoamento admissível para o material do eixo, em kpsi, é:
Provas
Observe a figura a seguir.

O projeto da viga ABC do guindaste de motores da figura requer a determinação dos esforços internos atuantes em cada um de seus trechos, AB e BC.
Considerando a carga imposta pelo motor, é correto afirmar que, nos trechos AB e BC, as naturezas desses esforços, respectivamente, são:
Provas
Na fabricação de um eixo cilíndrico com 100 mm de comprimento e 50 mm de diâmetro, o torneamento de acabamento é realizado com um avanço de 0,1 mm/rotação e velocidade de corte de 50!$ \pi !$ m/min (157 m/min).
O tempo de corte da etapa de torneamento de acabamento é igual a:
Provas
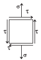
Observe a figura abaixo.

Considere o eixo de transmissão de potência da figura, em que os mancais resistem apenas a forças verticais.
As tensões atuantes em um ponto A, na superfície inferior do eixo, são representadas pelo seguinte elemento:
Provas
Considere uma máquina térmica reversível operando em um ciclo termodinâmico. Sabendo-se que o rendimento do ciclo é 0,5 e que a temperatura da fonte quente é 1527 ºC, a temperatura da fonte fria vale:
Provas
Caderno Container