Foram encontradas 40 questões.
No MS Excel 2003, as funções são fórmulas predefinidas que efetuam cálculos usando valores específicos, denominados argumentos, em uma determinada ordem ou estrutura. A esse respeito, considere as afirmativas abaixo.
I - A estrutura de uma função começa com um sinal de igual(=), sempre seguido do nome da função, um parêntese de abertura, os argumentos da função separados por vírgulas e um parêntese de fechamento.
II - Os argumentos de uma função, entre outros, também podem ser fórmulas ou outras funções.
III - Uma lista das funções disponíveis para aplicação em uma célula selecionada pode ser obtida pressionandose as teclas de atalho Ctrl + F.
É(São) correta(s) APENAS a(s) afirmativa(s)
Provas

A figura acima mostra um circuito RC e a forma de onda do sinal vi de entrada. Das figuras a seguir, a que mais se aproxima da forma de onda da saída vo é
Provas
A população P de certa cidade cresce de acordo com a função P(t) = 56.000 · (1,01)t , onde t significa o tempo, em anos. O gráfico que melhor representa essa função é
Provas

A figura acima apresenta o circuito digital que gera o sinal binário D em função dos sinais A, B e C. O Mapa de Karnaugh do sinal D gerado no circuito é
Provas
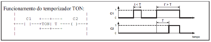
Observe a figura abaixo.

Uma esteira transportadora inicia seu movimento quando o operador coloca uma caixa em uma de suas extremidades. A presença da caixa é detectada pelo sensor S e a esteira se move por intermédio de um motor acionado pela contatora M. A esteira se move até que o operador aperte o botão P ou que se transcorram 40s da colocação da última caixa em sua extremidade, tempo considerado suficiente para que a caixa tenha ultrapassado a outra extremidade. O programa em LADDER que corresponde ao correto controle do funcionamento da esteira é
Provas
FALSOS VERBETES
Está aí uma coisa que eu não sabia (entre 17 milhões de outras). Há uma tradição de editores de dicionários e enciclopédias incluírem pelo menos um verbete falso em suas obras, para protegerem seu copyright*, facilitando processos de plágio contra eventuais copiadores. Quem repete o verbete falso é porque copiou, por mais que o disfarce.
Não sei se o costume (da cópia), sobre o qual li numa recente revista The New Yorker**, existe no Brasil. Se existe, pode-se pensar num desafio intelectual: identificar no “Aurelião” e no “Houaissão” as palavras criadas na hora pelos seus editores para desencorajar a reprodução clandestina. Já fiz um teste superficial e encontrei várias palavras suspeitas nos dois dicionários. “Efor”, por exemplo. Chefe de um país ou de um exército que preside a imolação das vítimas. Conta outra! “Osqüidate”. Relativo aos osqüidates, povo da Gália aquitânica. Rá! Pode-se imaginar o brilho nos olhos de quem bolou esta. “Trofobiose” é outra palavra altamente improvável. E sempre desconfiei que “esdrúxulo” foi inventada por um antigo dicionarista que sentia falta de uma palavra que descrevesse coisas, assim, esdrúxulas, sem sonhar que sua criação pegaria.
Os autores de enciclopédias devem se divertir ainda mais. A New Yorker cita o exemplo de uma personalidade fictícia, uma fotógrafa, incluída numa edição da Columbia Encyclopedia, com falsa biografia (do seu nascimento numa cidadezinha provavelmente inventada também até sua morte prematura numa explosão), falsos títulos, falso tudo, de cuja existência ninguém jamais duvidou. O autor da fabricação cumpriu, em parte, o sonho do Jorge Luis Borges, que, um dia, respondendo a uma daquelas clássicas perguntas feitas a escritores, disse que a obra que gostaria de ter escrito era a décima-primeira edição da Enciclopédia Britânica. Quantos autores não teriam tido o mesmo gosto ao serem convocados para inventar verbetes caucionários (se existe a palavra) para enciclopédias? Não apenas artistas com fins trágicos, cientistas fantásticos, figuras históricas que nunca foram – como efors osqüidates praticantes de trofobiose – mas países imaginários inteiros, continentes, partículas subatômicas, práticas sexuais. E com os novos recursos da editoração eletrônica, podendo até incluir fotos das pessoas e bichos que inventavam.
Nenhuma enciclopédia é cem por cento confiável, portanto. Eu confesso que nunca acreditei muito na existência do Uzbequistão.
VERÍSSIMO, Luiz Fernando. Jornal O Globo, 9 out. 2005. (adaptado)
* copyright – direitos reservados
** The New Yorker – revista americana de variedades
Em qual das frases a seguir a concordância verbal segue a norma culta?
Provas
Disciplina: Segurança e Saúde no Trabalho (SST)
Banca: CESGRANRIO
Orgão: Transpetro
No que diz respeito aos equipamentos de proteção individual (EPI), considere as afirmativas a seguir.
I - EPI são dispositivos utilizados no ambiente de trabalho com o objetivo de eliminar os riscos inerentes aos processos produtivos.
II - O EPI, de fabricação nacional ou importada, só poderá ser posto à venda ou utilizado com a indicação do Certificado de Aprovação - CA, expedido pelo órgão nacional competente em matéria de segurança e saúde no trabalho do Ministério do Trabalho e Emprego.
III - O empregado pode abrir mão de seu uso, desde que esta opção esteja devidamente registrada no Serviço Especializado em Engenharia de Segurança e em Medicina do Trabalho (SESMT).
Está(ão) correta(s) APENAS a(s) afirmativa(s)
Provas
Para se instalar uma luminária com lâmpadas fluorescentes, necessita-se da utilização de reatores para a ignição e estabilização da corrente em um nível adequado às lâmpadas de descargas. A respeito desse tema, considere as afirmativas abaixo.
I - Os reatores convencionais não necessitam de starter.
II - Os reatores de partida rápida necessitam de starter.
III - Os reatores eletrônicos não necessitam de starter.
Está(ão) correta(s) SOMENTE a(s) afirmativa(s)
Provas

Considere os três esquemas de aterramento para instalações em média tensão apresentados nas figuras acima. De acordo com a simbologia adotada na ABNT NBR 14039, as nomenclaturas dos Esquemas 1, 2 e 3, respectivamente, são
Provas
De acordo com a NBR 5410, para circuitos de iluminação, a seção mínima permitida dos condutores de cobre das fases dos circuitos, em mm2, é
Provas
Caderno Container